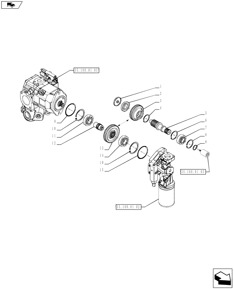
Запчасти Case IH PUMA 230 (35.100.01[06]) - HYDRAULIC PUMP - DRIVING GEARS (VAR.729004 / 743616) (35) - HYDRAULIC SYSTEMS

Схема запчастей Case IH PUMA 230 - (35.100.01[06]) - HYDRAULIC PUMP - DRIVING GEARS (VAR.729004 / 743616) (35) - HYDRAULIC SYSTEMS
8
1
6
4
35.100.01 03
12
home
35.100.01 05
35.100.01 02
15
14
13
10
9
3
10
11
6
7
2
5
FIT
1:1
100%

Артикул

Название

Примечание

Количество

1

87591176

SPACER,M10 x 1.25 x 9.25mm L

1шт.

2

87591964

ROLLER BEARING,30mm ID x 72mm OD x 19mm W

30 x 72 x 19

1шт.

3

87535659

DRIVEN GEAR,42T

1шт.

4

11060676

CIRCLIP,M55, Int

1шт.

5

87535661

DRIVE SHAFT,172mm L, 18/24T

1шт.

6

11061576

SNAP RING,M72, Int

2шт.

7

87591976

BALL BEARING,35mm ID x 72mm OD x 27mm W

35 x 72 x 27

1шт.

8

11068376

SNAP RING,M35, Ext x 1.5 Thk

1шт.

9

14461380

O-RING,0.103" Thk x 3.987" ID, -155, Cl 5, 75 Duro

1шт.

10

11061976

SNAP RING,M80, Int

2шт.

11

87591979

BALL BEARING,40mm ID x 80mm OD x 18mm W

40 x 80 x 18

1шт.

12

87614882

SHAFT

1шт.

13

87535639

DRIVING GEAR

Driven

1шт.

14

20915780

BALL BEARING,40mm ID x 80mm OD x 18mm W

40 x 80 x 18

1шт.

15

14461080

O-RING,0.103" Thk x 3.237" ID, -152, Cl 5, 75 Duro

1шт.

Выбрано товаров: 15