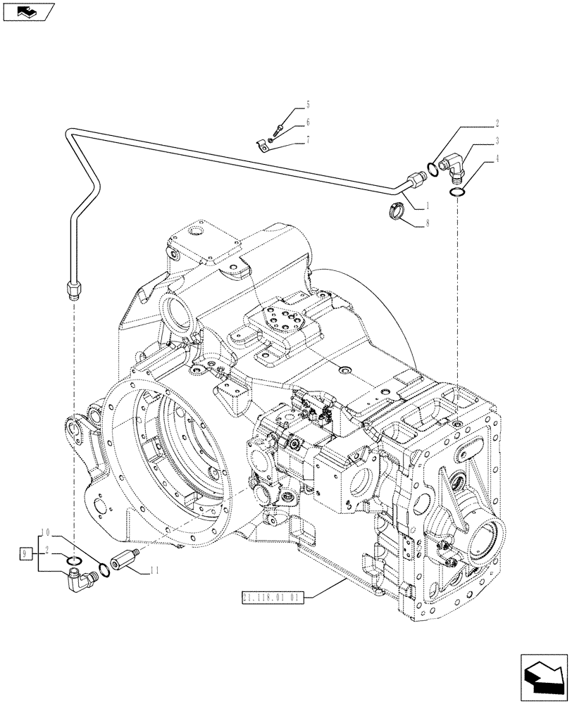
Запчасти Case IH PUMA 230 (35.100.01[07]) - HYDRAULIC PUMP - PRIMING VALVE BLOCK AND PIPES (VAR.729004 / 743616) (35) - HYDRAULIC SYSTEMS

Схема запчастей Case IH PUMA 230 - (35.100.01[07]) - HYDRAULIC PUMP - PRIMING VALVE BLOCK AND PIPES (VAR.729004 / 743616) (35) - HYDRAULIC SYSTEMS
2
1
4
7
3
2
6
11
21.118.01 01
home
5
9
10
8
FIT
1:1
100%

Артикул

Название

Примечание

Количество

1

84342613

HYD TUBE

1шт.

2

9992298

O-RING,0.07" Thk x 0.489" ID, -14, Cl 6, 90 Duro

1шт.

3

87016911

TEE,13/16"-16 ORFS x M14 x 1.5 ORB Br

Contains Ref. 2,4

1шт.

4

14437785

O-RING,11.3mm ID x 2.4mm

1шт.

5

86508568

BOLT,Hex, M6 x 1 x 16mm, Cl 8.8

1шт.

6

86588450

WASHER,6.6mm ID x 12mm OD x 1.6mm Thk

1шт.

7

84168456

CLAMP BRACKET

1шт.

8

13000290

HOSE CLAMP,12mm - 18mm, Worm Gear

12 x 18

1шт.

9

86579690

ELBOW,90 Degree, 13/16"-18 ORFS x M16 x 1.5 ORB

Contains Ref. 2,10

1шт.

10

86598100

O-RING,2.2mm Thk x 13.3mm ID, Cl 6, 90 Duro

1шт.

11

84194770

CHECK VALVE

1шт.

Выбрано товаров: 11