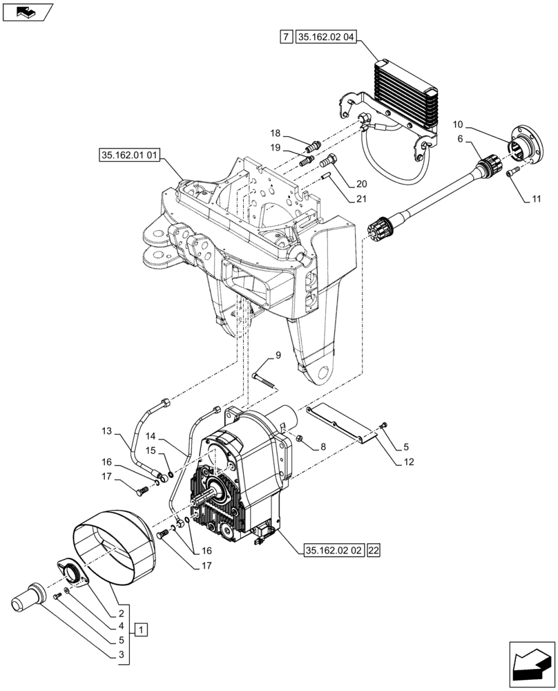
Запчасти Case IH PUMA 230 (35.162.02[01]) - FRONT HPL WITH PTO - OIL COOLER AND SHAFT PTO (VAR.743484-743486 / 743666-743667-743765-743837-743838) (35) - HYDRAULIC SYSTEMS

Схема запчастей Case IH PUMA 230 - (35.162.02[01]) - FRONT HPL WITH PTO - OIL COOLER AND SHAFT PTO (VAR.743484-743486 / 743666-743667-743765-743837-743838) (35) - HYDRAULIC SYSTEMS
5
home
20
35.162.02 02
2
8
6
3
21
7
19
15
16
13
10
12
1
17
14
4
18
16
22
9
1
5
17
35.162.01 01
35.162.02 04
1
FIT
1:1
100%

Артикул

Название

Примечание

Количество

1

84408454

SHIELD

ASSY, Contains Ref. 2 - 5

1шт.

2

NSS

NOT SOLD SEPARAT

LH, ASSY

1шт.

3

NSS

NOT SOLD SEPARAT

RH, ASSY

1шт.

4

86625263

WASHER,9mm ID x 20mm OD x 1.6mm Thk

2шт.

5

120104

BOLT,Hex, M8 x 1.25 x 20mm, Cl 8.8

5шт.

6

84408459

PTO SHAFT

1шт.

7

84406888

COOLER ASSY.

ASSY

1шт.

8

2979506

LOCK NUT,Prev Torque Hex, M10 x 1.25, Cl 10

1шт.

9

14421134

HEX SOC SCREW,M10 x 1.5 x 80mm, Cl 10.9

1шт.

10

84408561

HUB

1шт.

11

84481174

HEX SOC SCREW,M12 x 35mm, Cl 12.9

6шт.

12

84481609

COVER

1шт.

13

84481599

TUBE

1шт.

14

84481605

HYD TUBE

1шт.

15

84486715

SEALING WASHER

1шт.

16

84481640

SEALING WASHER,14mm ID x 18.7mm OD x 1.5mm Thk

3шт.

17

84481638

BANJO BOLT

2шт.

18

84481622

FITTING,M18 x 1.5

1шт.

19

84481613

FITTING,M14 x 1.5

1шт.

20

86508588

BOLT,Hex, M20 x 45mm, Cl 8.8

4шт.

21

84481628

DOWEL

2шт.

22

84481589

FRONT PTO ASSY

ASSY

1шт.

Выбрано товаров: 22