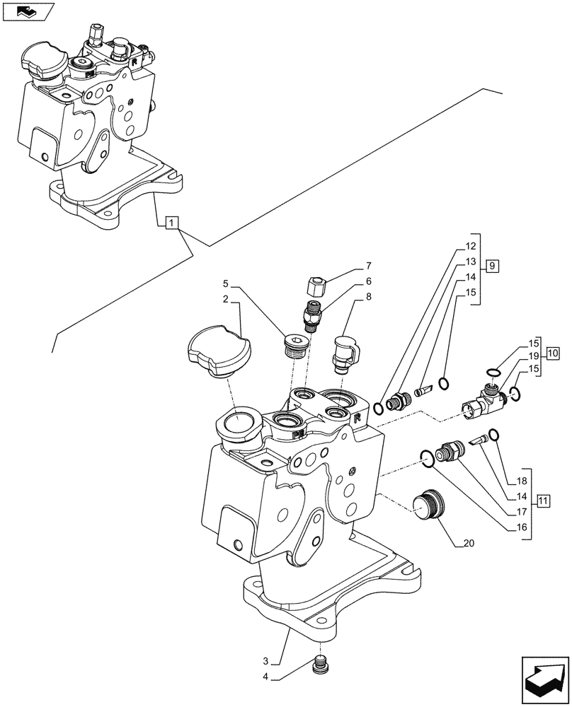
Запчасти Case IH PUMA 230 (35.204.01[06]) - CONTROL VALVE, INLET & OUTLET SECTION, COMPONENTS (35) - HYDRAULIC SYSTEMS

Схема запчастей Case IH PUMA 230 - (35.204.01[06]) - CONTROL VALVE, INLET & OUTLET SECTION, COMPONENTS (35) - HYDRAULIC SYSTEMS
2
15
6
3
9
19
17
7
13
15
home
14
1
14
11
18
12
15
10
8
5
4
16
20
FIT
1:1
100%

Артикул

Название

Примечание

Количество

1

87555868

MANIFOLD VALVE

ASSY, Inlet/Outlet, Incl 2 - 20

1шт.

2

82005372

FILLER CAP,Male, Vented_No Lockable

1шт.

3

47434154

MANIFOLD VALVE

1шт.

4

221573A1

PLUG,Hex Soc, M12 x 1.5, ORB

1шт.

5

221579A1

PLUG,M22 x 1.5 ORB

1шт.

6

87551023

CHECK VALVE

1шт.

7

701-917

CAP,Hex, 9/16" - 18 Female ORFS

1шт.

8

178889A1

DIAGNOSTIC COUPLER

1шт.

9

84174239

ORIFICE,Hex, M12 x 1.5 x 28.5mm L

ASSY, Incl 12, 13, 14 (Qty 1), 15 (Qty 1)

1шт.

10

701-421

TEE,9/16" - 18 Male ORFS x 9/16" - 18 Male ORFS x 9/16" - 18 Female ORFS

ASSY, Incl 15 (Qty 2), 19

1шт.

11

334923A1

HYD CONNECTOR,M14 x 1.5 ORB x 11/16" - 16 ORFS

ASSY, Incl 14 (Qty 1), 16 - 18

1шт.

12

86598098

O-RING,2.2mm Thk x 9.3mm ID, Cl 6, 90 Duro

1шт.

13

NSS

NOT SOLD SEPARAT

Fitting, Incl in 9

1шт.

14

NSS

NOT SOLD SEPARAT

Screen, Incl in 9 and 11

2шт.

15

238-6011

O-RING,0.07" Thk x 0.301" ID, -11, Cl 6, 90 Duro

3шт.

16

637-63113

O-RING,2.2mm Thk x 11.3mm ID, Cl 6

1шт.

17

NSS

NOT SOLD SEPARAT

Fitting, Incl in 11

1шт.

18

238-6012

O-RING,0.07" Thk x 0.364" ID, -12, Cl 6, 90 Duro

1шт.

19

NSS

NOT SOLD SEPARAT

Tee, Incl in 10

1шт.

20

221580A1

PLUG,M27 x 2 ORB

1шт.

Выбрано товаров: 20