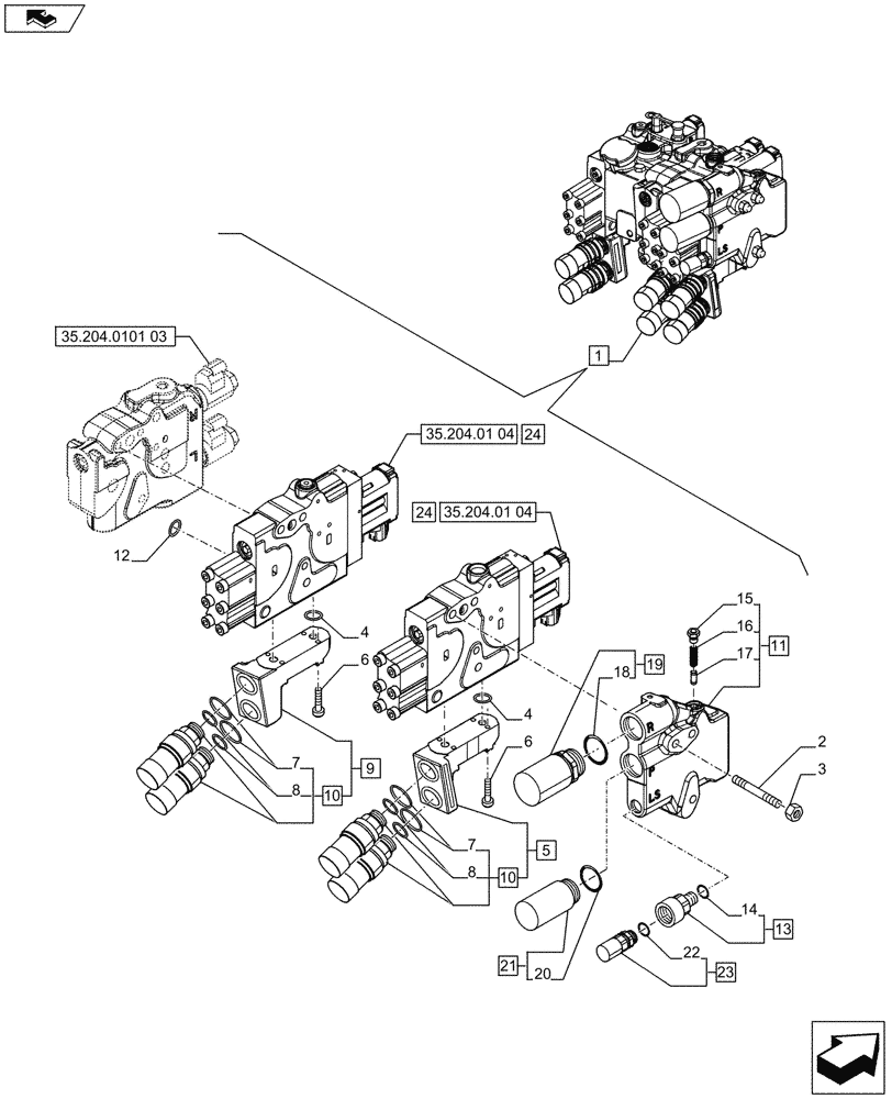
Запчасти Case IH PUMA 230 (35.204.0101[04]) - 3 REMOTE CONTROL VALVES, ELECTRONIC, W/ POWER BEYOND COUPLERS, COMPONENTS (VAR.720683-743826) (35) - HYDRAULIC SYSTEMS

Схема запчастей Case IH PUMA 230 - (35.204.0101[04]) - 3 REMOTE CONTROL VALVES, ELECTRONIC, W/ POWER BEYOND COUPLERS, COMPONENTS (VAR.720683-743826) (35) - HYDRAULIC SYSTEMS
35.204.0101 03
20
4
15
12
8
7
2
8
10
9
16
10
11
1
22
17
3
5
6
23
home
7
6
21
14
13
24
19
18
4
24
35.204.01 04
35.204.01 04
FIT
1:1
100%

Артикул

Название

Примечание

Количество

1

87582247

CONTROL VALVE

ASSY, with Power Beyond, Incl 2 - 24, Serial Range: -C7417

1шт.

See also Figure 35.204.0101 (03)

1шт.

1

47592931

CONTROL VALVE

ASSY, with Power Beyond, Incl 2 - 24, Serial Range: D7417-C7418

1шт.

See also Figure 35.204.0101 (03)

1шт.

1

47594446

CONTROL VALVE

ASSY, with Power Beyond, Incl 2 - 24, Start Serial: D7418

1шт.

See also Figure 35.204.0101 (03)

1шт.

2

87604617

STUD,M12 x 1.75 x 235mm L

M12 x 1.75 x 235mm

3шт.

3

829-1312

NUT,M12 x 1.75, Cl 10

3шт.

4

87635381

O-RING,2.62mm Thk x 15.54mm ID, -114, 80 Duro

4шт.

5

87381981

HYDRAULIC MANIFOLD

is faster 4bm10, ASSY, Incl 10

1шт.

6

864-6045

HEX SOC SCREW,M6 x 45mm, Cl 8.8

8шт.

7

87382012

SEAL KIT

4шт.

8

14438085

O-RING,19.3mm ID x 2.4mm

4шт.

9

87381982

HYDRAULIC MANIFOLD

is faster 4bm11, ASSY, Incl 10

1шт.

10

87381944

COUPLING, QUICK, FEM

ASSY, Incl 7, 8

4шт.

11

87607904

HYD VALVE SECTION

ASSY, Power Beyond Manifold, Incl 13, 15 - 17, 19, 21, 23

1шт.

12

87635376

O-RING,2.62mm Thk x 3.63mm ID, -105, 80 Duro

1шт.

13

84174591

HYD CONNECTOR,Hex, M14 x 1.5

ASSY, M14 x 1.5, Incl 14

1шт.

14

637-63113

O-RING,2.2mm Thk x 11.3mm ID, Cl 6

1шт.

15

87648607

PLUG,M12 x 1.5 ORB

1шт.

16

87648596

SPRING,3.81mm OD x 23.19mm L

1шт.

17

87648631

PIN,8mm OD x 19mm L

1шт.

18

81903721

O-RING,0.116" Thk x 1.048" ID, -914, Cl 6, 90 Duro

1шт.

19

87310811

PUSH-PULL COUPLING

ASSY, M30 x 2, Incl 18

1шт.

20

14438185

O-RING,24mm ID x 3mm

1шт.

21

87310813

PUSH-PULL COUPLING

ASSY, M27 x 2, Incl 20

1шт.

22

14437785

O-RING,11.3mm ID x 2.4mm

1шт.

23

87310816

PUSH-PULL COUPLING

ASSY, M14 x 1.5, Incl 22

1шт.

24

87325955

HYD VALVE SECTION

ASSY, Auxiliary, Main, Serial Range: -C7414

2шт.

24

87325955R

REMAN-HYD VALVE

Auxiliary, Main

2шт.

24

87325955C

CORE-VALVE HYD

Return Number

2шт.

24

47434171

HYD VALVE SECTION

ASSY, Auxiliary, Main, Serial Range: D7414-C7417

2шт.

24

47434171R

REMAN-HYD VALVE

Auxiliary, Main

2шт.

24

47434171C

CORE-VALVE HYD

Return Number

2шт.

24

47592924

VALVE

ASSY, Auxiliary, Main, Serial Range: D7417-C7418

2шт.

24

47592924R

REMAN-HYD VALVE

Auxiliary, Main

2шт.

24

47592924C

CORE-VALVE HYD

Return Number

2шт.

24

47594399

HYDRAULIC VALVE

ASSY, Auxiliary, Main Low Leak, Start Serial: D7418

2шт.

Выбрано товаров: 38