Запчасти Case IH PUMA 230 (35.204.0103[01]) - 4 REMOTE CONTROL VALVES, ELECTRONIC, W/ POWER BEYOND COUPLERS (VAR.743424-743827 / 743668) (35) - HYDRAULIC SYSTEMS

Схема запчастей Case IH PUMA 230 - (35.204.0103[01]) - 4 REMOTE CONTROL VALVES, ELECTRONIC, W/ POWER BEYOND COUPLERS (VAR.743424-743827 / 743668) (35) - HYDRAULIC SYSTEMS
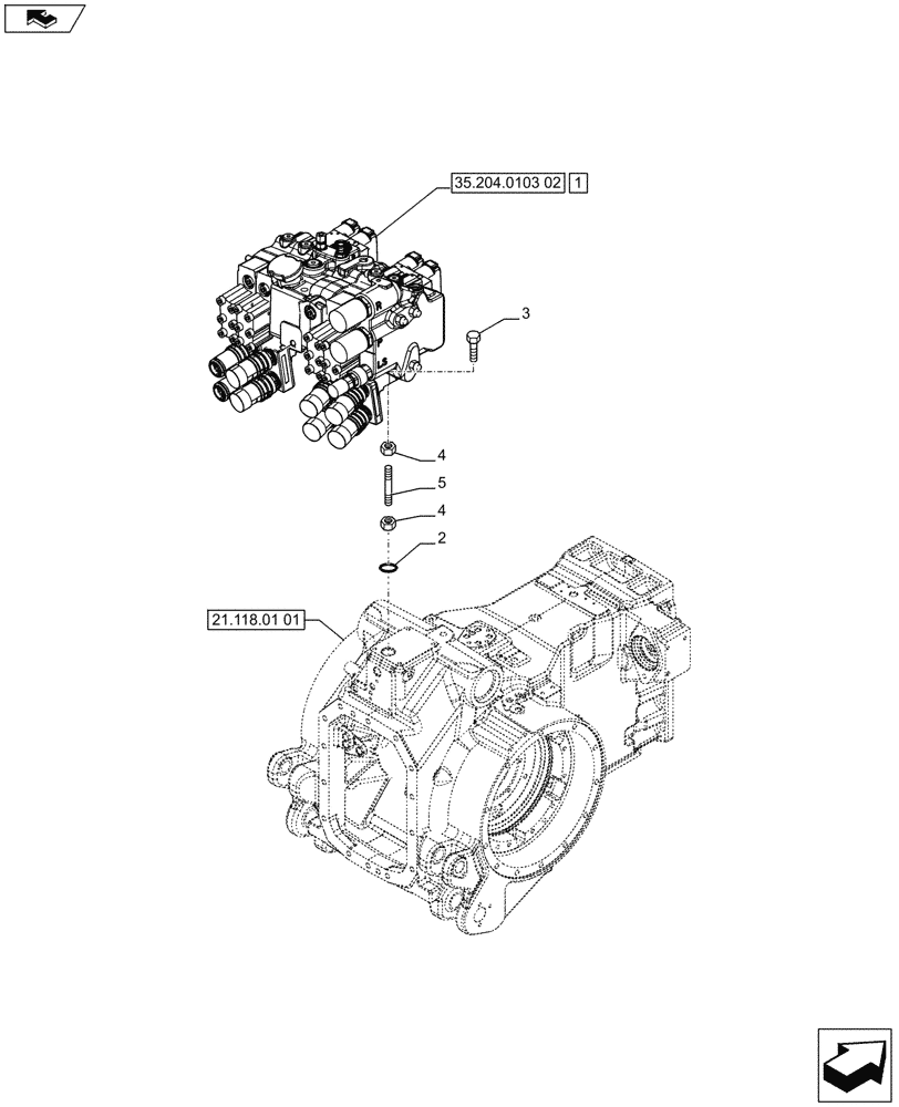
35.204.0103 02
4
4
2
1
5
home
3
21.118.01 01
FIT
1:1
100%

Артикул

Название

Примечание

Количество

1

87612158

CONTROL VALVE

ASSY, with Power Beyond, Serial Range: -C7417

1шт.

1

47592932

CONTROL VALVE

ASSY, with Power Beyond, Serial Range: D7417-C7418

1шт.

1

47594447

CONTROL VALVE

ASSY, with Power Beyond, Start Serial: D7418

1шт.

2

14463780

O-RING,0.139" Thk x 1.296" ID, -219, Cl 5, 75 Duro

1шт.

3

15970921

SCREW,Hex, M10 x 1.25 x 35mm, Cl 8.8, Full Thd

2шт.

4

12164711

NUT,M10 x 1.25, Cl 8

2шт.

5

13449721

STUD,M10 x 1.25 x 30mm L, Cl 8.8

M10 x 1.25 x 30mm

2шт.

Выбрано товаров: 0