Запчасти Case IH PUMA 230 (35.204.0104[03A]) - 5 REMOTE CONTROL VALVES, RESERVOIR (VAR.729252-743425 / 743669) - D7411 (35) - HYDRAULIC SYSTEMS

Схема запчастей Case IH PUMA 230 - (35.204.0104[03A]) - 5 REMOTE CONTROL VALVES, RESERVOIR (VAR.729252-743425 / 743669) - D7411 (35) - HYDRAULIC SYSTEMS
35.204.0104 01
home
10
9
2
6
4
5
5
8
3
7
1
11
35.204.0105 01
FIT
1:1
100%

Артикул

Название

Примечание

Количество

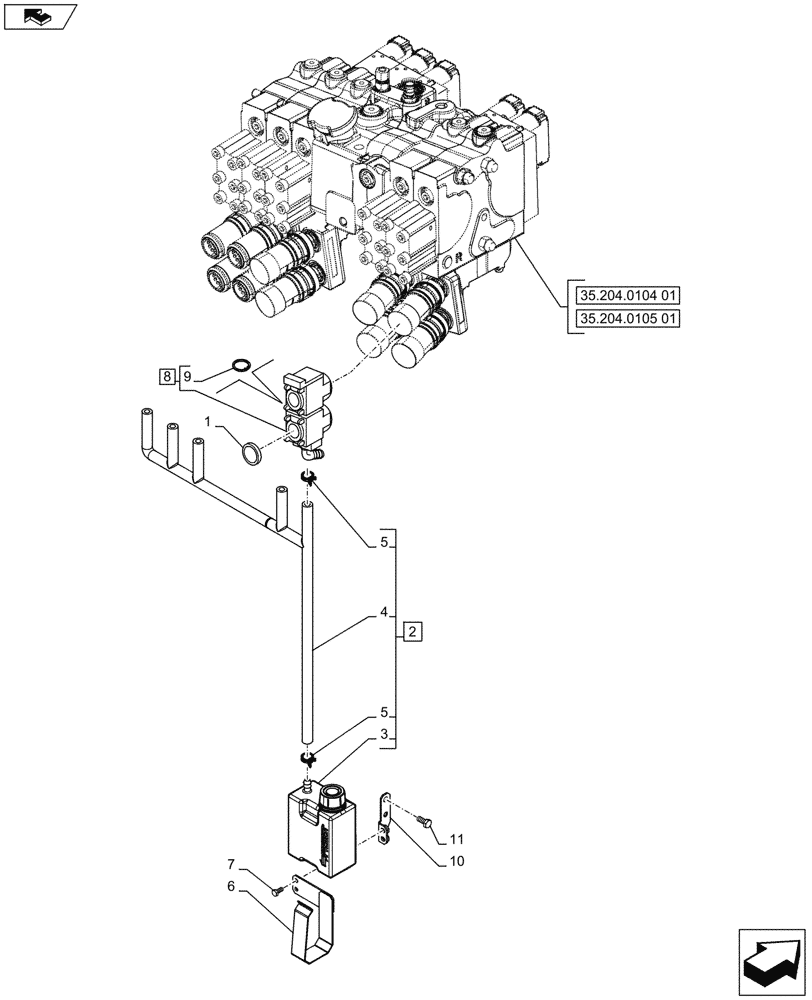
1

82029895

DISC,20mm D, Black

Black

10шт.

2

84284792

BOTTLE

ASSY, Incl 3-5

1шт.

3

87555441

RESERVOIR, HYDRAULIC,600ml

1шт.

4

84253970

FLEXIBLE HOSE

1шт.

5

13423370

CLAMP,13.6mm - 15.1mm

8шт.

6

84312030

SUPPORT

1шт.

7

10902121

SCREW,Hex, M6 x 14mm, Cl 8.8

2шт.

8

84253930

DUST CAP,56.5mm H x 128mm L x 39.5mm Thk

ASSY, Incl 9 (Qty 2)

5шт.

9

14454580

O-RING,34.65mm ID x 1.78mm

10шт.

10

84319178

BRACKET

1шт.

11

14360121

HEX SOC SCREW,M10 x 1.25 x 22mm, Cl 8.8, Full Thd

2шт.

Выбрано товаров: 11