Запчасти Case IH PUMA 230 (10.214.0202) - ABS SYSTEM - FUEL LINE AND FILTER (VAR.743922) (10) - ENGINE

Схема запчастей Case IH PUMA 230 - (10.214.0202) - ABS SYSTEM - FUEL LINE AND FILTER (VAR.743922) (10) - ENGINE
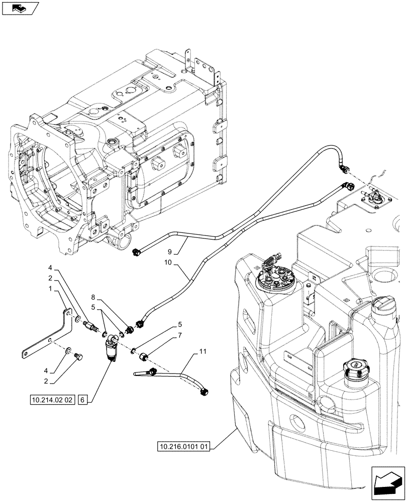
1
11
4
10
5
2
5
4
10.214.02 02
home
10.216.0101 01
7
6
9
8
2
FIT
1:1
100%

Артикул

Название

Примечание

Количество

1

87591419

HOLDER

1шт.

2

86511324

WASHER,13mm ID x 24mm OD x 2.5mm Thk

3шт.

3

11112121

SCREW,Hex, M12 x 20mm, Cl 8.8, Full Thd

M12 x 20 mm

2шт.

4

87585662

HYD CONNECTOR,M12 x 1.75 x M14 x 1.5

1шт.

5

87590622

SEALING WASHER,14.7mm ID x 22mm OD x 1.5mm Thk

3шт.

6

84328562

FILTER ASSY,40mm OD x 109mm L, M14 x 1.5, 350 Microns

ASSY, Contains Ref. 12 - 17

1шт.

7

87585673

HYD CONNECTOR

1шт.

8

4893833

HYD CONNECTOR

1шт.

9

84535467

FLEXIBLE HOSE

1шт.

10

84535468

FLEXIBLE HOSE

1шт.

11

84337769

FUEL TUBE

1шт.

Выбрано товаров: 11