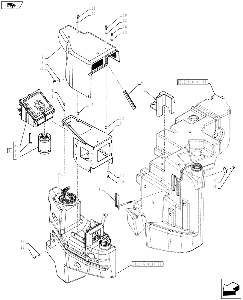
Запчасти Case IH PUMA 230 (10.216.0101[02]) - ABS SYSTEM - FUEL TANK RELATED PARTS (VAR.743922) (10) - ENGINE

Схема запчастей Case IH PUMA 230 - (10.216.0101[02]) - ABS SYSTEM - FUEL TANK RELATED PARTS (VAR.743922) (10) - ENGINE
4
14
16
8
12
18
1
5
3
9
10.216.0101 03
10
2
13
12
11
14
14
6
15
13
18
13
home
16
13
7
17
10.216.0101 03
15
FIT
1:1
100%

Артикул

Название

Примечание

Количество

1

84362404

COVER

1шт.

2

84398162

BRACKET

1шт.

3

84341797

MODULE

ASSY, Contains Ref. 4-6

1шт.

4

84254852

FILTER

1шт.

Valid with PUMA 170-CVT Model

1шт.

5

84247272

FILTER,In-Line

4шт.

Valid with PUMA 170-CVT Model

1шт.

6

NSS

NOT SOLD SEPARAT

1шт.

7

84416006

FOAM

1шт.

8

84385014

PLATE

1шт.

9

84388543

SEAL PROTECTION,169mm L

1шт.

10

87024930

WASHER,10.8mm ID x 50mm OD x 3mm Thk

1шт.

11

100037

LOCK NUT,M10 x 1.5, Cl 8

1шт.

12

84358644

STOP DEVICE

4шт.

13

86625263

WASHER,9mm ID x 20mm OD x 1.6mm Thk

7шт.

14

86624184

WASHER,9mm ID x 16mm OD x 1.6mm Thk

8шт.

15

120103

BOLT,M8 x 1.25 x 16mm, Cl 8.8

6шт.

16

43232

BOLT,Hex, M8 x 16mm, Cl 10.9

3шт.

17

43127

BOLT,Hex, M8 x 1.25 x 25mm, Cl 8.8

2шт.

18

43128

BOLT,M8 x 1.25 x 30mm, Cl 8.8

4шт.

Выбрано товаров: 0