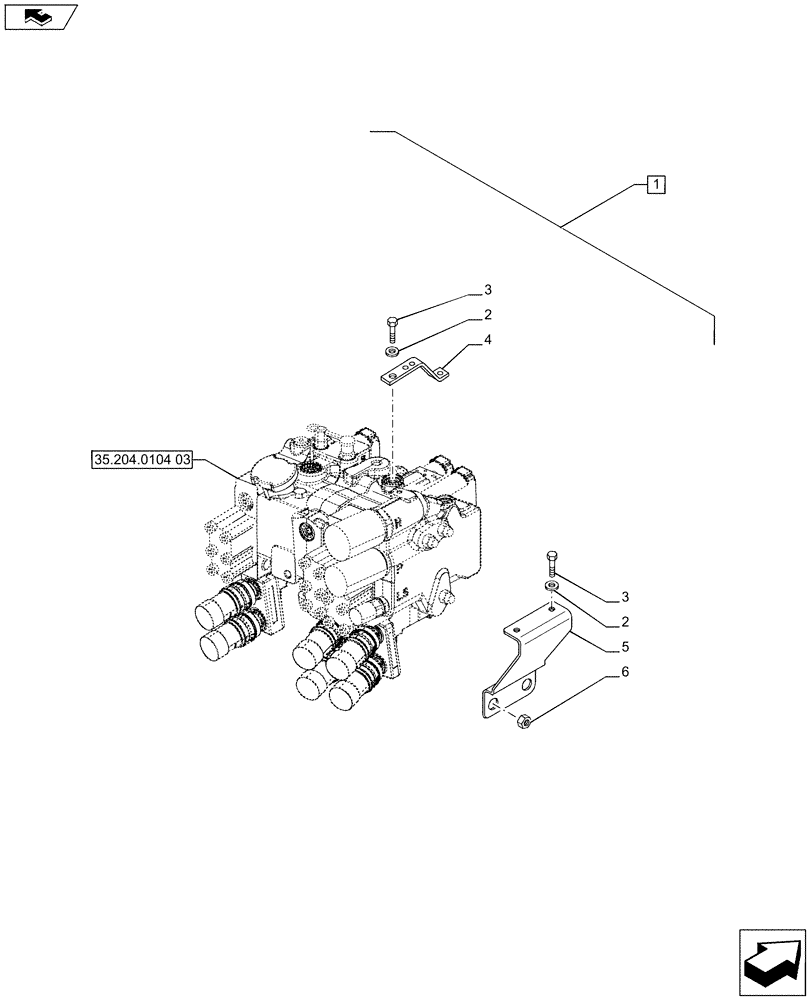
Запчасти Case IH PUMA 230 (88.033.05[09]) - DIA KIT - PNEUMATIC TRAILER BRAKE (UK) - BRACKET (88) - ACCESSORIES

Схема запчастей Case IH PUMA 230 - (88.033.05[09]) - DIA KIT - PNEUMATIC TRAILER BRAKE (UK) - BRACKET (88) - ACCESSORIES
3
35.204.0104 03
home
4
2
3
1
2
6
5
FIT
1:1
100%

Артикул

Название

Примечание

Количество

1

710178214

DIA KIT, TRACTOR

Pneumatic Trailer Brake (UK), Contains Ref. 2-6

1шт.

Refer to Installation Instructions for Correct Assembly Procedure

1шт.

2

14496501

WASHER,8.4mm ID x 17mm OD x 1.6mm Thk

4шт.

3

16043221

BOLT,Hex, M8 x 16mm, Cl 8.8, Full Thd

8шт.

4

87623286

SUPPORT

With PB Racine

1шт.

5

87673953

SUPPORT

Less PB Racine

1шт.

6

11702911

NUT,M12, Cl 8, ZND

2шт.

Выбрано товаров: 7