Запчасти Case IH PUMA 150 CVT (25.100.AV[02]) - VAR - 758045, 758046 - SUSPENDED FRONT AXLE, FRONT AXLE SUPPORT (25) - FRONT AXLE SYSTEM

Схема запчастей Case IH PUMA 150 CVT - (25.100.AV[02]) - VAR - 758045, 758046 - SUSPENDED FRONT AXLE, FRONT AXLE SUPPORT (25) - FRONT AXLE SYSTEM
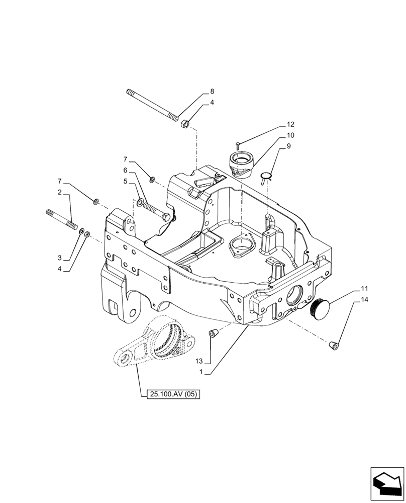
8
4
2
6
7
13
4
10
25.100.av (05)
14
5
7
1
3
9
12
11
FIT
1:1
100%

Артикул

Название

Примечание

Количество

1

84380305

SUPPORT

1шт.

2

87333613

STUD,M20 x 1.5 x 240mm L

M20 x 240

2шт.

3

10571779

LOCK WASHER,Helical Spring, 8.10mm ID x 14.80mm OD x 2.00mm, ZNM

2шт.

4

87312644

NUT,Hex, M20, 1.5 Pitch, 16mm High, Gr R12

5шт.

5

82028022

WASHER,M8 x 1.25 ID x 40mm OD x 9mm Thk, CRLC or HRLC Steel

3шт.

6

82029234

BOLT,Hex, M20 x 1.5 x 125mm, Cl 12.9

3шт.

7

82026247

SHIM,20.2mm ID x 50mm OD x 6.6mm Thk

1шт.

7

82026246

SHIM,20.2mm ID x 50mm OD x 6.3mm Thk

1шт.

7

82026240

SHIM,20.2mm ID x 50mm OD x 4.5mm Thk

1шт.

7

82026245

SHIM,20.2mm ID x 50mm OD x 6mm Thk

1шт.

7

82026241

SHIM,20.2mm ID x 50mm OD x 4.8mm Thk

1шт.

7

82026242

SHIM,20.2mm ID x 50mm OD x 5.1mm Thk

1шт.

7

82026243

SHIM,20.2mm ID x 50mm OD x 5.4mm Thk

1шт.

7

82026244

SHIM,20.2mm ID x 50mm OD x 5.7mm Thk

1шт.

7

82026248

SHIM,20.2mm ID x 50mm OD x 6.9mm Thk

1шт.

7

82026249

SHIM,20.2mm ID x 50mm OD x 4.5mm Thk

1шт.

7

82026250

SHIM,20mm ID x 50mm OD x 7.5mm Thk

1шт.

7

82026251

SHIM,20.2mm ID x 50mm OD x 7.8mm Thk

1шт.

8

87333612

STUD,M20 x 1.5 x 295mm, Cl 12.9

3шт.

9

82021866

GRILLE

1шт.

10

82030470

SUPPORT

1шт.

11

82027992

PLUG,80.00mm, 90.00mm OD, 32.00mm D

1шт.

12

43127

BOLT,Hex, M8 x 1.25 x 25mm, Cl 8.8

2шт.

13

82037171

PLASTIC PLUG,22.00mm, 32.00mm OD

1шт.

14

85700614

DUST CAP,0.532", 0.750" OD, 0.437" D

1шт.

Выбрано товаров: 25