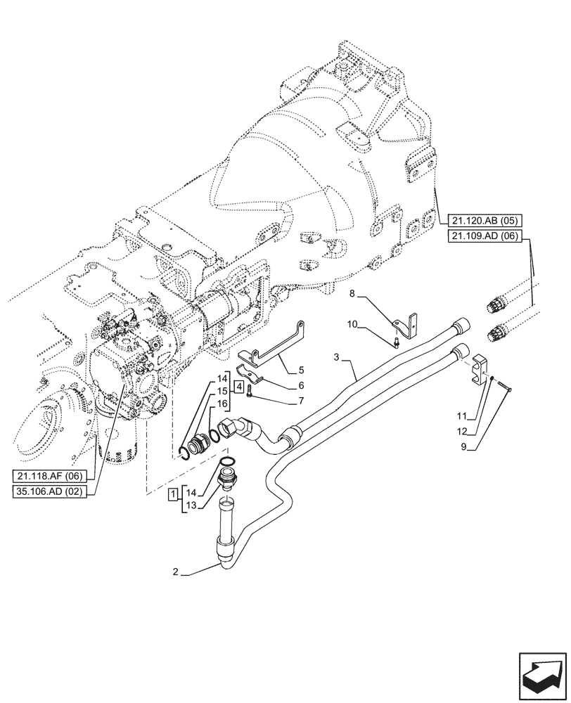
Запчасти Case IH PUMA 150 CVT (21.109.AD[05]) - VAR - 391138, 758022 - TRANSMISSION, OIL COOLER LINE (21) - TRANSMISSION

Схема запчастей Case IH PUMA 150 CVT - (21.109.AD[05]) - VAR - 391138, 758022 - TRANSMISSION, OIL COOLER LINE (21) - TRANSMISSION
21.118.af (06)
3
16
5
8
14
15
10
1
11
7
13
2
4
14
12
6
9
35.106.ad (02)
21.120.ab (05)
21.109.ad (06)
FIT
1:1
100%

Артикул

Название

Примечание

Количество

1

84252094

HYD CONNECTOR,M42 X 2 x 22mm

ASSY, Incl 13, 14 (Qty 1)

1шт.

2

84371321

HYD TUBE

Oil Cooler Return

1шт.

3

84371319

HYD TUBE

Oil Cooler Supply

1шт.

4

86579685

HYD CONNECTOR,1 11/16"-12 ORFS x M42 x 2 ORB

ASSY, Incl 14 (Qty 1) - 16

1шт.

5

84402819

BRACKET

1шт.

6

84238526

CLAMP BRACKET

1шт.

7

86609280

BOLT,Hex Flg, M8 x 45mm, Cl 8.8

1шт.

8

84402817

SUPPORT

1шт.

9

15213024

SCREW,Hex, M6 x 55mm, Cl 8.8

1шт.

10

87316808

STUD,M8 x 1.25mm

M8 x 1.25mm

1шт.

11

87608298

CLAMP BRACKET

1шт.

12

12640624

WASHER,6.15mm ID x 25mm OD x 2mm Thk

6.15 x 25 x 2mm

1шт.

13

NSS

NOT SOLD SEPARAT

Adapter, Incl in 1

1шт.

14

86598105

O-RING,2.9mm Thk x 38.6mm ID, Cl 6, 90 Duro

2шт.

15

NSS

NOT SOLD SEPARAT

Connector, Incl in 4

1шт.

16

9824051

O-RING,0.07" Thk x 1.176" ID, -25, Cl 6, 90 Duro

1шт.

Выбрано товаров: 16