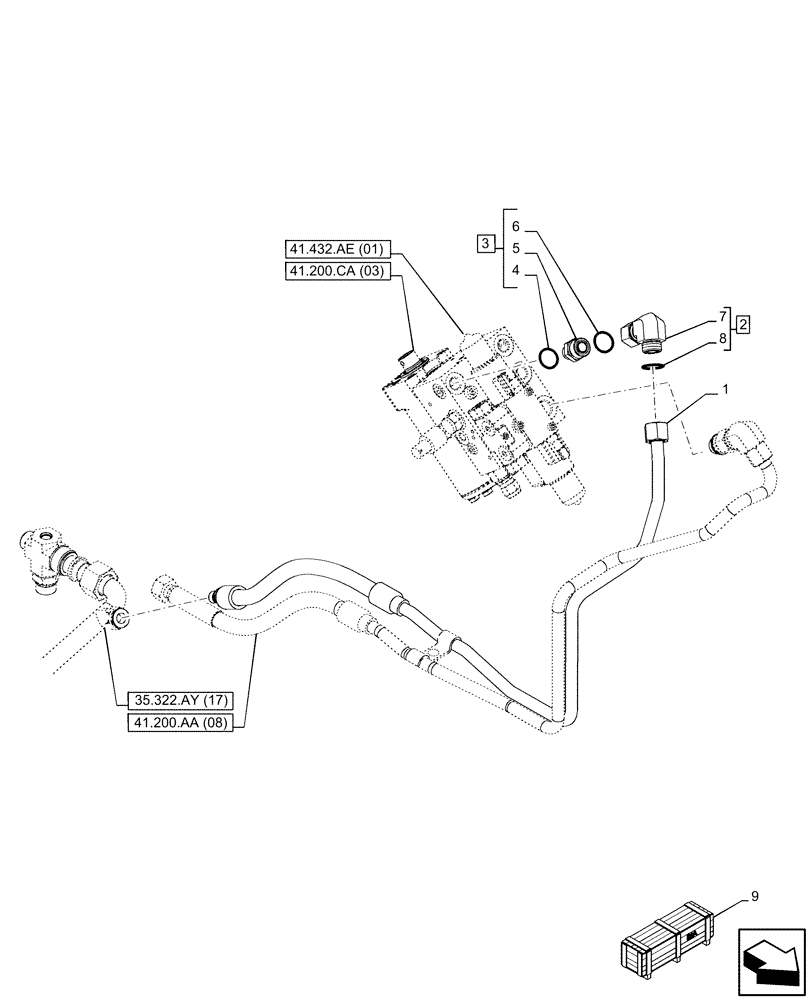
Запчасти Case IH PUMA 150 CVT (41.200.AK[06]) - VAR - 758802, 758803, 758804, 758805, 758806, 758807, 758871 - STEERING, RETURN, LINE, CVT, AUTOGUIDANCE (41) - STEERING

Схема запчастей Case IH PUMA 150 CVT - (41.200.AK[06]) - VAR - 758802, 758803, 758804, 758805, 758806, 758807, 758871 - STEERING, RETURN, LINE, CVT, AUTOGUIDANCE (41) - STEERING
35.322.ay (17)
4
1
2
3
9
5
6
8
7
41.432.ae (01)
41.200.ca (03)
41.200.aa (08)
FIT
1:1
100%

Артикул

Название

Примечание

Количество

1

47366353

PIPE

Return Steering

1шт.

2

84989393

ELBOW,90 Degree, 1"-14 ORFS x 1"-14 Fem Sw

ASSY, Incl 7, 8

1шт.

3

82016760

HYD CONNECTOR,1"-14 / M18 x 1.5

1шт.

4

83999938

SEAL,15.7mm ID x 20.9mm OD x 1.5mm Thk

1шт.

5

NSS

NOT SOLD SEPARAT

1шт.

6

83901443

O-RING,0.07" Thk x 0.614" ID, -16, Cl 6, 90 Duro

1шт.

7

NSS

NOT SOLD SEPARAT

Union, Incl in 2

1шт.

8

9992069

O-RING,0.07" Thk x 0.614" ID, -16, Cl 6, 90 Duro

1шт.

9

710070384

DIA KIT, TRACTOR

Autoguidance Fitment, Incl 1 - 8

1шт.

To See Full DIA KIT Composition Look for all the Figures Where the DIA KIT P/N Is Shown

1шт.

9

710070404

DIA KIT, TRACTOR

Autoguidance Fitment, Incl 1 - 8

1шт.

To See Full DIA KIT Composition Look for all the Figures Where the DIA KIT P/N Is Shown

1шт.

Выбрано товаров: 12