Запчасти Case IH PUMA 150 CVT (41.216.AV[02]) - VAR - 391347 - STEERING CYLINDER, LINE, CVT (41) - STEERING

Схема запчастей Case IH PUMA 150 CVT - (41.216.AV[02]) - VAR - 391347 - STEERING CYLINDER, LINE, CVT (41) - STEERING
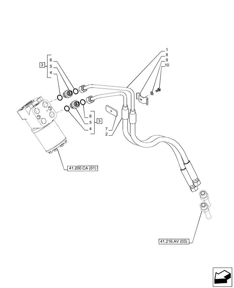
41.200.ca (01)
6
6
3
3
4
9
2
4
1
10
8
5
7
5
41.216.av (03)
FIT
1:1
100%

Артикул

Название

Примечание

Количество

1

47673777

PIPE

Standard Steering to Axle

1шт.

2

47673781

PIPE

Standard Steering to Axle

1шт.

3

86579673

HYD CONNECTOR,11/16" - 16 ORFS x M18 x 1.5 ORB

ASSY, Incl 4 - 6

2шт.

4

9993141

O-RING,0.07" Thk x 0.364" ID, -12, Cl 6, 90 Duro

1шт.

5

NSS

NOT SOLD SEPARAT

Connector, Incl in 3

1шт.

6

86598101

O-RING,2.2mm Thk x 15.3mm ID, Cl 6, 90 Duro

1шт.

7

84591886

PLATE

Fixing Pipes

1шт.

8

4999554

CLAMP,2 Hoses

Cylinder Pipes

1шт.

9

86588450

WASHER,6.6mm ID x 12mm OD x 1.6mm Thk

1шт.

10

86977726

BOLT,Hex, M6 x 12mm, Cl 8.8

1шт.

Выбрано товаров: 10