Запчасти Case IH PUMA 150 CVT (55.020.AB[05]) - VAR - 337427, 337433, 391138, 758022, 759053 - TRANSMISSION, SPEED SENSOR (55) - ELECTRICAL SYSTEMS

Схема запчастей Case IH PUMA 150 CVT - (55.020.AB[05]) - VAR - 337427, 337433, 391138, 758022, 759053 - TRANSMISSION, SPEED SENSOR (55) - ELECTRICAL SYSTEMS
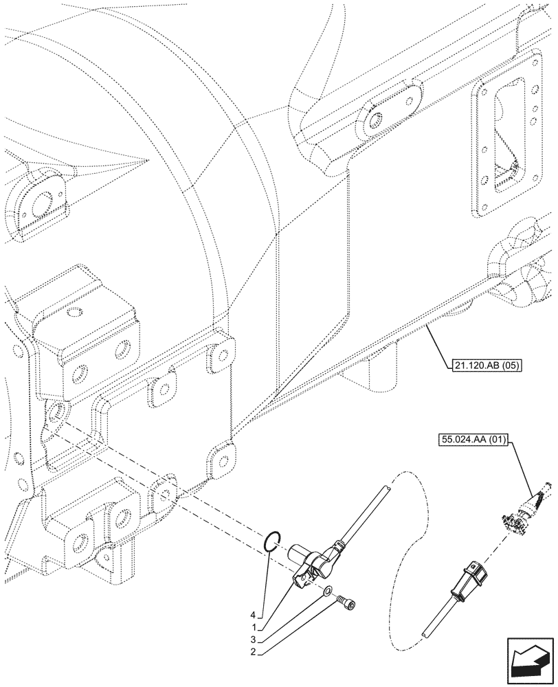
21.120.ab (05)
1
2
3
4
55.024.aa (01)
FIT
1:1
100%

Артикул

Название

Примечание

Количество

1

47766973

SENSOR

Speed

1шт.

2

14305720

HEX SOC SCREW,M6 x 14mm, Cl 8.8, Full Thd

1шт.

3

12601274

WAVE WASHER,6.40mm ID x 12mm OD x 0.50mm, 2.60mm H, STL, DAC

1шт.

4

129979

O-RING,0.103" Thk x 0.674" ID, -115, Cl 5, 75 Duro

1шт.

Выбрано товаров: 4