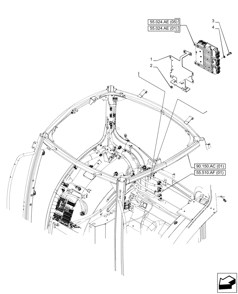
Запчасти Case IH PUMA 150 CVT (55.024.AE[08]) - VAR - 758113 - TRANSMISSION, ELECTRONIC CONTROL UNIT, SUPPORT (55) - ELECTRICAL SYSTEMS

Схема запчастей Case IH PUMA 150 CVT - (55.024.AE[08]) - VAR - 758113 - TRANSMISSION, ELECTRONIC CONTROL UNIT, SUPPORT (55) - ELECTRICAL SYSTEMS
4
90.150.ac (01)
55.024.ae (01)
55.510.af (01)
1
3
2
55.024.ae (05)
FIT
1:1
100%

Артикул

Название

Примечание

Количество

1

84358215

SUPPORT

UCM

1шт.

2

10720111

NUT,M6, Cl 8

4шт.

3

10902624

SCREW,Hex, M6 x 25mm, Cl 8.8, Full Thd

4шт.

4

10519401

WASHER,6.4mm ID x 11.95mm OD x 1.6mm Thk

4шт.

Выбрано товаров: 0