Запчасти Case IH PUMA 150 CVT (55.047.AI) - VAR - 758802, 758803, 758804, 758805, 758806, 758807, 758871 - FAST STEERING, SENSOR (55) - ELECTRICAL SYSTEMS

Схема запчастей Case IH PUMA 150 CVT - (55.047.AI) - VAR - 758802, 758803, 758804, 758805, 758806, 758807, 758871 - FAST STEERING, SENSOR (55) - ELECTRICAL SYSTEMS
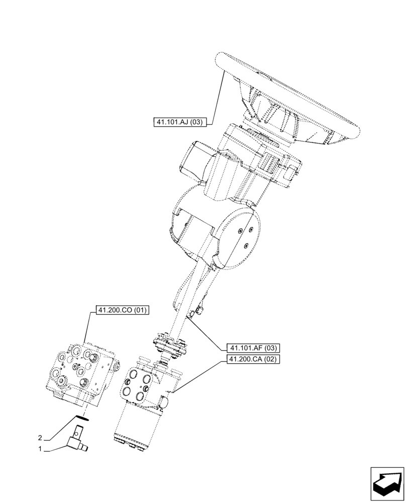
41.200.ca (02)
2
1
41.200.co (01)
41.101.aj (03)
41.101.af (03)
FIT
1:1
100%

Артикул

Название

Примечание

Количество

1

47128860

SENSOR

Fast Steering Position

1шт.

2

14457381

O-RING,17.12mm ID x 2.62" Width

1шт.

Выбрано товаров: 2