Запчасти Case IH PUMA 150 CVT (55.048.AI[03]) - VAR - 758031 - PTO, SPEED SENSOR (55) - ELECTRICAL SYSTEMS

Схема запчастей Case IH PUMA 150 CVT - (55.048.AI[03]) - VAR - 758031 - PTO, SPEED SENSOR (55) - ELECTRICAL SYSTEMS
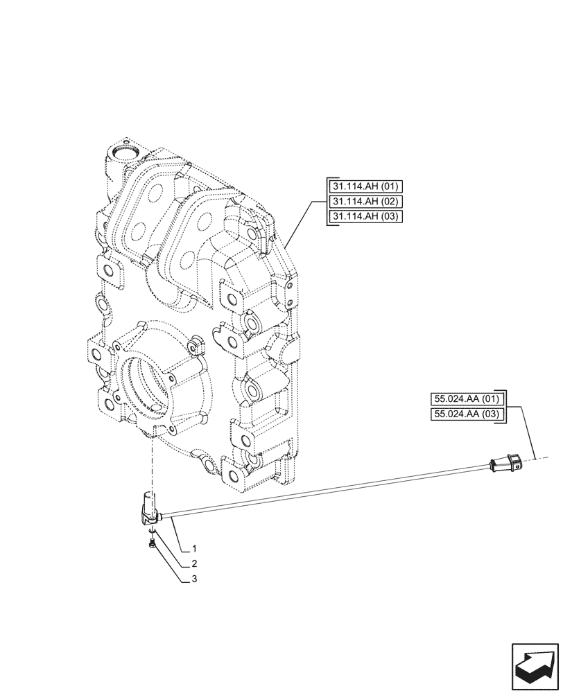
31.114.ah (03)
3
1
2
55.024.aa (03)
55.024.aa (01)
31.114.ah (01)
31.114.ah (02)
FIT
1:1
100%

Артикул

Название

Примечание

Количество

1

47767004

SENSOR

Speed

1шт.

2

87624045

TUBE

1шт.

3

14304221

HEX SOC SCREW,M5 x 16mm, Cl 8.8, Full Thd

2шт.

4

13506701

WASHER,5.15mm ID x 10mm OD x 0.8mm Thk

2шт.

Выбрано товаров: 4