Запчасти Case IH PUMA 150 CVT (55.202.AA) - COLD START SYSTEM, GRID HEATER (55) - ELECTRICAL SYSTEMS

Схема запчастей Case IH PUMA 150 CVT - (55.202.AA) - COLD START SYSTEM, GRID HEATER (55) - ELECTRICAL SYSTEMS
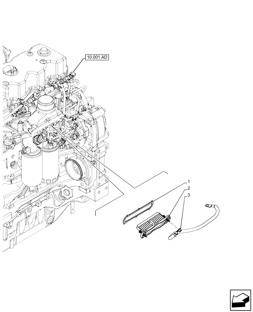
10.001.ad
1
2
3
FIT
1:1
100%

Артикул

Название

Примечание

Количество

1

2854701

GASKET,0.8mm Thk

1шт.

2

2854837

HEATER

1шт.

3

87316233

ELECTRIC CABLE

1шт.

Выбрано товаров: 0