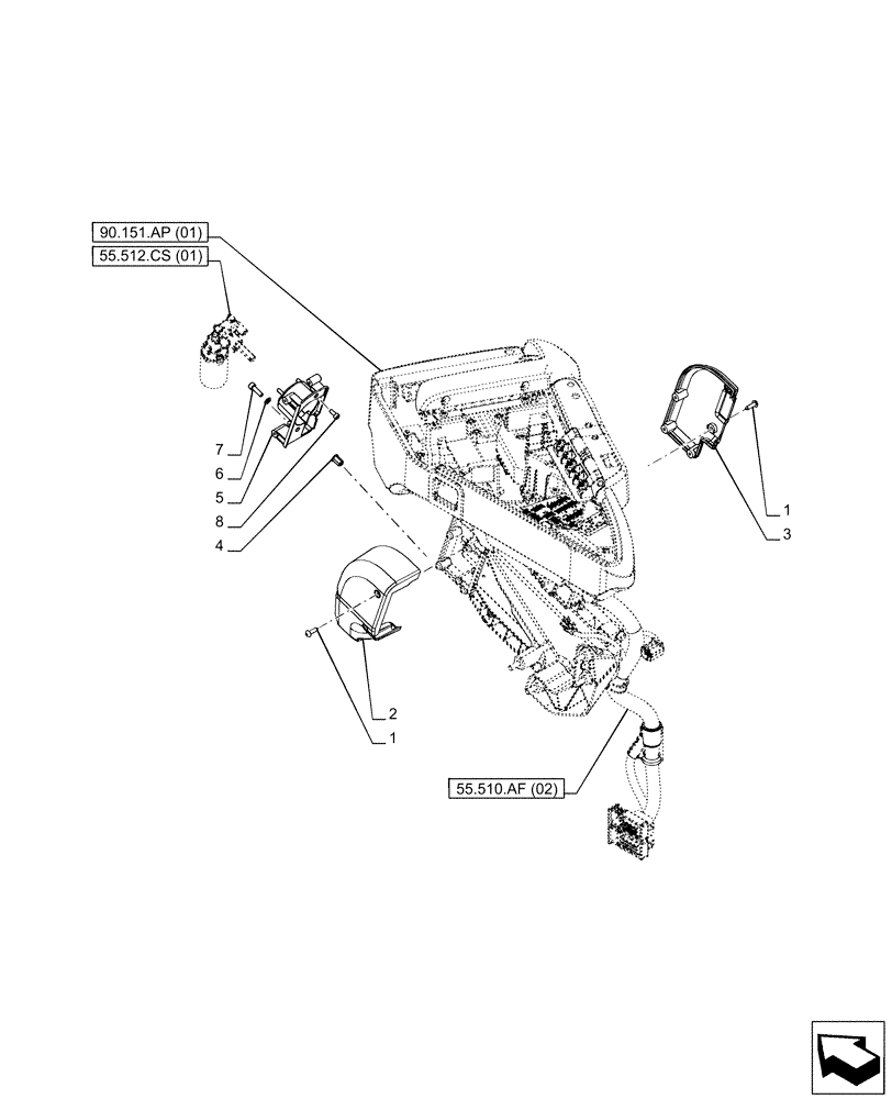
Запчасти Case IH PUMA 150 CVT (55.512.CS[02]) - VAR - 758265, 758666, 758667, 758668, 758669, 759265 - ARMREST, ELECTRIC SYSTEM CONTROL, COVERS (55) - ELECTRICAL SYSTEMS

Схема запчастей Case IH PUMA 150 CVT - (55.512.CS[02]) - VAR - 758265, 758666, 758667, 758668, 758669, 759265 - ARMREST, ELECTRIC SYSTEM CONTROL, COVERS (55) - ELECTRICAL SYSTEMS
55.510.af (02)
3
1
6
1
4
2
5
7
8
55.512.cs (01)
90.151.ap (01)
FIT
1:1
100%

Артикул

Название

Примечание

Количество

1

15903977

SELF-TAP SCREW,Pan Head, M4.8 x 1.6 x 19mm

7шт.

2

84201762

SHELL

Inside

1шт.

3

84201783

SHELL

Outside

1шт.

4

15624411

RIVET,Flat, M6 OD x 16mm L

2шт.

5

84201758

HOLDER

1шт.

6

14496401

WASHER,M6.4 x 12.00mm x 1.60mm

2шт.

7

86531615

HEX SOC SCREW,M6 x 20mm, Cl 8.8

2шт.

8

86625213

HEX SOC SCREW,M5 x 12mm, Cl 8.8

3шт.

Выбрано товаров: 8