Запчасти Case IH PUMA 165 CVT (10.216.BA[02]) - VAR - 758223, 758235, 758240, 758241, 758250 - FUEL TANK, LINES (10) - ENGINE

Схема запчастей Case IH PUMA 165 CVT - (10.216.BA[02]) - VAR - 758223, 758235, 758240, 758241, 758250 - FUEL TANK, LINES (10) - ENGINE
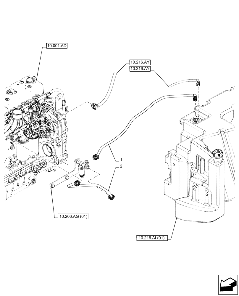
10.216.ai (01)
10.001.ad
10.206.ag (01)
10.216.ay
1
10.216.ay
2
FIT
1:1
100%

Артикул

Название

Примечание

Количество

1

47440729

FUEL TUBE

From Tank to Filter

1шт.

2

47440769

FUEL TUBE

From Filter to Engine

1шт.

Выбрано товаров: 2