Запчасти Case IH PUMA 165 CVT (21.105.BL[02]) - VAR - 391161, 758055 - LUBRICATION LINE, PUMP (21) - TRANSMISSION

Схема запчастей Case IH PUMA 165 CVT - (21.105.BL[02]) - VAR - 391161, 758055 - LUBRICATION LINE, PUMP (21) - TRANSMISSION
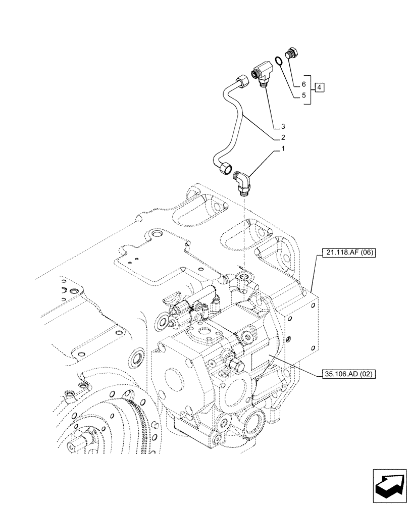
21.118.af (06)
35.106.ad (02)
4
2
6
5
3
1
FIT
1:1
100%

Артикул

Название

Примечание

Количество

1

84372555

90 ELBOW,11/16"-16 ORFS x M16 x 1.5 ORB

1шт.

2

47460165

HYD TUBE

Pump Lube

1шт.

3

84371830

TEE,11/16"-16 ORFS x M14 x 1.5 ORB x M14 x 1.5

1шт.

4

86611704

PLUG,Hex, M14 x 1.5 ORB

ASSY, Incl 5, 6

1шт.

5

86598099

O-RING,2.2mm Thk x 11.3mm ID, Cl 6

1шт.

6

NSS

NOT SOLD SEPARAT

Plug, Incl in 4

1шт.

Выбрано товаров: 6