Запчасти Case IH PUMA 165 CVT (21.109.AD[05]) - VAR - 391138, 758022 - TRANSMISSION, OIL COOLER, LINE (21) - TRANSMISSION

Схема запчастей Case IH PUMA 165 CVT - (21.109.AD[05]) - VAR - 391138, 758022 - TRANSMISSION, OIL COOLER, LINE (21) - TRANSMISSION
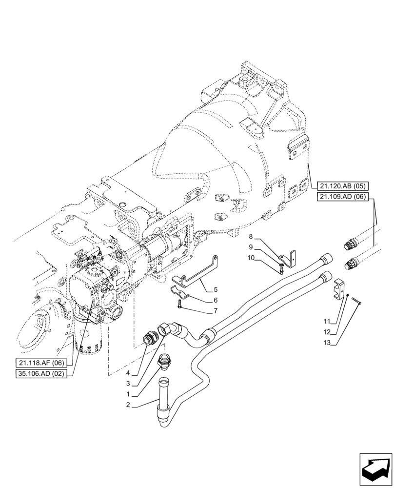
1
11
21.118.af (06)
5
6
7
13
3
8
12
2
35.106.ad (02)
21.120.ab (05)
10
9
21.109.ad (06)
4
FIT
1:1
100%

Артикул

Название

Примечание

Количество

1

84252094

HYD CONNECTOR,M42 X 2 x 22mm

1шт.

2

84371321

HYD TUBE

Oil Cooler Return

1шт.

3

84371319

HYD TUBE

Oil Cooler Supply

1шт.

4

86579685

HYD CONNECTOR,1 11/16"-12 ORFS x M42 x 2 ORB

1шт.

5

84402819

BRACKET

1шт.

6

84238526

CLAMP BRACKET

1шт.

7

16043921

BOLT,Hex, M8 x 1.25 x 35mm, Cl 8.8

1шт.

8

84402817

SUPPORT

1шт.

9

10519621

WASHER,8.15mm ID x 17mm OD x 2mm Thk

1шт.

10

87316808

STUD,M8 x 1.25mm

M8

1шт.

11

87608298

CLAMP BRACKET

1шт.

12

10519421

WASHER,6.4mm ID x 11.95mm OD x 1.6mm Thk

1шт.

13

15212821

BOLT,Hex, M6 x 45mm, Cl 8.8, Full Thd

1шт.

Выбрано товаров: 13