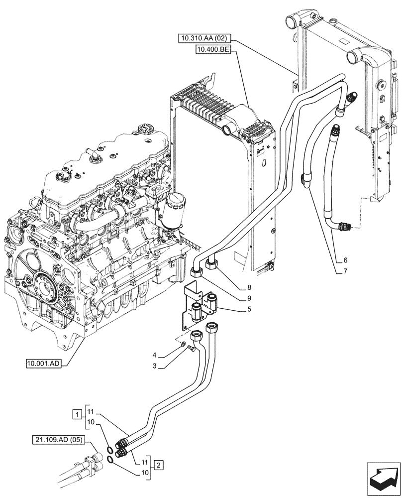
Запчасти Case IH PUMA 165 CVT (21.109.AD[06]) - VAR - 391138, 758022 - TRANSMISSION, OIL COOLER, LINE (21) - TRANSMISSION

Схема запчастей Case IH PUMA 165 CVT - (21.109.AD[06]) - VAR - 391138, 758022 - TRANSMISSION, OIL COOLER, LINE (21) - TRANSMISSION
21.109.ad (05)
11
10
4
6
9
2
7
11
3
5
1
8
10
10.400.be
10.310.aa (02)
10.001.ad
FIT
1:1
100%

Артикул

Название

Примечание

Количество

1

47564521

PIPE

ASSY, Oil Cooler Supply, Incl 10, 11 (Qty 1)

1шт.

2

47373367

HYD TUBE

ASSY, Oil Cooler Supply, Incl 10, 11 (Qty 1)

1шт.

3

9706687

BOLT,M12 x 1.75 x 30mm, Cl 8.8

2шт.

4

86511324

WASHER,13mm ID x 24mm OD x 2.5mm Thk

2шт.

5

47476485

BRACKET

1шт.

6

84184076

HOSE,28mm ID

Oil Cooler Return

1шт.

7

84184075

HOSE,25.4mm ID x 805mm L, SAE 100R6

Oil Cooler Supply

1шт.

8

47373371

HYD TUBE

Oil Cooler Return

1шт.

9

47601987

PIPE

Oil Cooler Supply

1шт.

10

47469809

O-RING,2.0mm Thk x 24.0mm ID

2шт.

11

NSS

NOT SOLD SEPARAT

Pipe, Incl in 1, 2

2шт.

Выбрано товаров: 11