Качественные детали и логистика
Оригинальные и аналоговые запчасти с доставкой по России, Казахстану и Беларуси
©2022 PartSell ООО "Система" ИНН 2463123282 ОГРН 1212400004838
Центральный офис: г. Красноярск, Академика Киренского, д.87, пом.4
Телефон: 8 (800) 777-65-74 Email: zakaz@partsell.ru
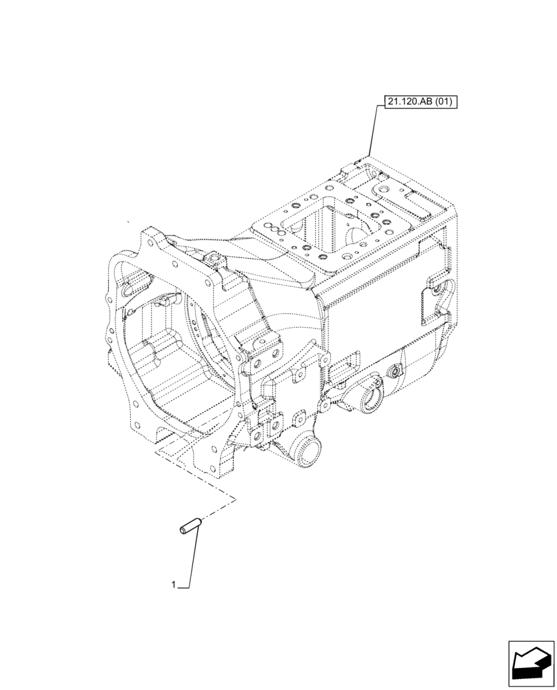
(21.120.AB[07]) - VAR - 391130, 758000 - GEARBOX, PIN
№
Артикул
Название
Примечание
Количество
1
86505157
DOWEL,1/2" x 1"
2шт.
Выбрано товаров: 0