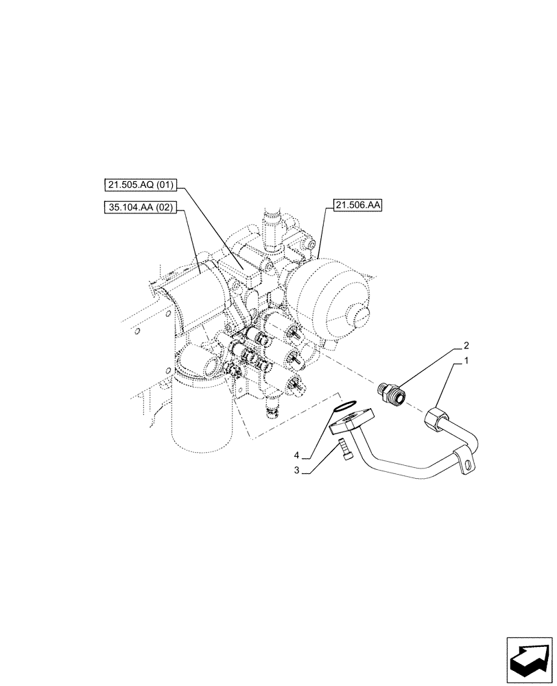
Запчасти Case IH PUMA 165 CVT (21.506.AI[03]) - VAR - 391138, 758022 - TRANSMISSION, INLINE (21) - TRANSMISSION

Схема запчастей Case IH PUMA 165 CVT - (21.506.AI[03]) - VAR - 391138, 758022 - TRANSMISSION, INLINE (21) - TRANSMISSION
2
21.506.aa
21.505.aq (01)
4
3
1
35.104.aa (02)
FIT
1:1
100%

Артикул

Название

Примечание

Количество

1

84394838

HYD TUBE

Supply

1шт.

2

86579679

HYD CONNECTOR,1"-14 ORFS x M18 x 1.5 ORB

1шт.

3

86625220

HEX SOC SCREW,M8 x 25mm, Cl 8.8

4шт.

4

14457580

O-RING,0.103" Thk x 0.799" ID, -117, Cl 5, 75 Duro

1шт.

Выбрано товаров: 4