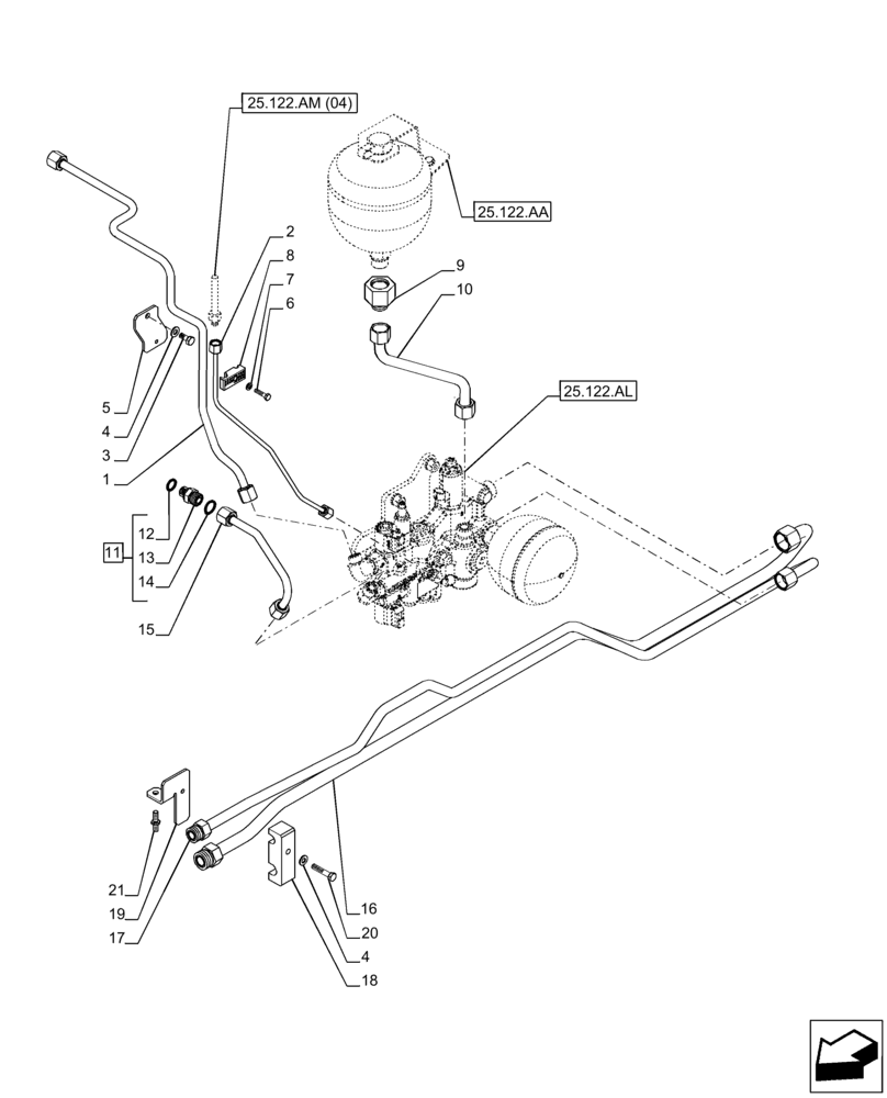
Запчасти Case IH PUMA 165 CVT (25.122.AM[03]) - VAR - 758045, 758046 - FRONT AXLE, SUSPENDED, CONTROL VALVE, LINE, CVT (25) - FRONT AXLE SYSTEM

Схема запчастей Case IH PUMA 165 CVT - (25.122.AM[03]) - VAR - 758045, 758046 - FRONT AXLE, SUSPENDED, CONTROL VALVE, LINE, CVT (25) - FRONT AXLE SYSTEM
25.122.al
5
11
12
8
20
9
25.122.aa
10
4
4
14
7
21
16
6
13
17
2
3
1
25.122.am (04)
18
15
19
FIT
1:1
100%

Артикул

Название

Примечание

Количество

1

47409084

TUBE

Supply

1шт.

2

47585179

PIPE

LS

1шт.

3

86625000

BOLT,Hex, M8 x 18mm, Cl 8.8, Full Thd

1шт.

4

14496521

WASHER,8.4mm ID x 17mm OD x 1.6mm Thk

2шт.

5

84140225

BRACKET

1шт.

6

10902624

SCREW,Hex, M6 x 25mm, Cl 8.8, Full Thd

1шт.

7

86588450

WASHER,6.6mm ID x 12mm OD x 1.6mm Thk

1шт.

8

47375718

CLAMP BRACKET

1шт.

9

84561586

ADAPTER

1шт.

10

47406648

PIPE

Accumulator

1шт.

11

86579675

HYD CONNECTOR,13/16"-16 ORFS x M16 x 1.5 ORB

ASSY, Incl 12 - 14

1шт.

12

9992298

O-RING,0.07" Thk x 0.489" ID, -14, Cl 6, 90 Duro

1шт.

13

NSS

NOT SOLD SEPARAT

Connector, Incl in 11

1шт.

14

86598100

O-RING,2.2mm Thk x 13.3mm ID, Cl 6, 90 Duro

1шт.

15

47409096

PIPE

Drain

1шт.

16

47581507

PIPE

Supply

1шт.

17

47581470

PIPE

Return

1шт.

18

47376729

CLAMP BRACKET

1шт.

19

84140230

BRACKET

1шт.

20

43129

BOLT,Hex, M8 x 1.25 x 40mm, LH Thd, Cl 8.8

1шт.

21

87316808

STUD,M8 x 1.25mm

M8

1шт.

Выбрано товаров: 21