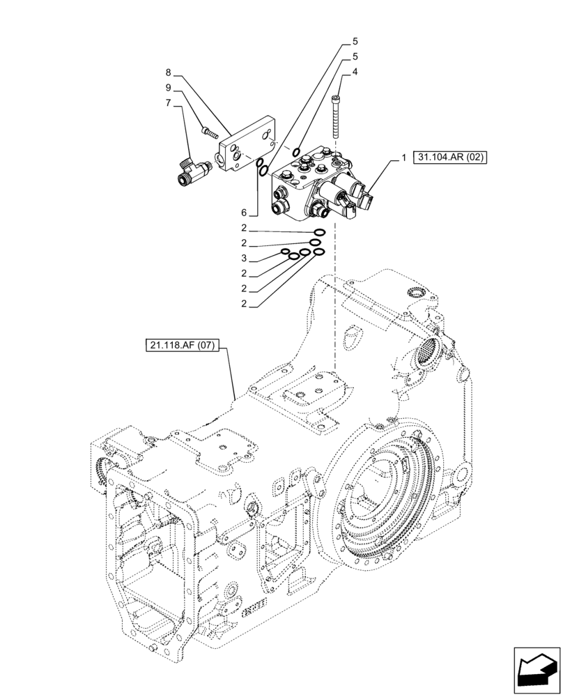
Запчасти Case IH PUMA 165 CVT (31.104.AR[01]) - VAR - 391138, 758022 - PTO, CONTROL VALVE (31) - IMPLEMENT POWER TAKE OFF

Схема запчастей Case IH PUMA 165 CVT - (31.104.AR[01]) - VAR - 391138, 758022 - PTO, CONTROL VALVE (31) - IMPLEMENT POWER TAKE OFF
3
2
1
5
7
9
8
2
2
6
2
5
21.118.af (07)
4
31.104.ar (02)
2
FIT
1:1
100%

Артикул

Название

Примечание

Количество

1

84336448

CONTROL VALVE

1шт.

2

14457280

O-RING,0.103" Thk x 0.612" ID, -114, Cl 5, 75 Duro

5шт.

3

14457080

O-RING,0.103" Thk x 0.487" ID, -112, Cl 5, 75 Duro

1шт.

4

14308521

HEX SOC SCREW,M10 x 1.25 x 90mm, Cl 8.8

3шт.

5

14456980

O-RING,10.77mm ID x 2.62mm

2шт.

6

5135738

O-RING,0.103" Thk x 0.674" ID, -115, 80 Duro

1шт.

7

5197177

TEE,1"-14 ORFS x 1"-14 ORFS x M18 x 1.5 ORB

1шт.

8

5197061

PLATE

1шт.

9

14306521

HEX SOC SCREW,M8 x 1.25 x 30mm, Cl 8.8

4шт.

Выбрано товаров: 9