Запчасти Case IH PUMA 165 CVT (33.204.AG[02]) - VAR - 758046 - FRONT AXLE, SUSPENDED W/BRAKES, BRAKE LINE (33) - BRAKES & CONTROLS

Схема запчастей Case IH PUMA 165 CVT - (33.204.AG[02]) - VAR - 758046 - FRONT AXLE, SUSPENDED W/BRAKES, BRAKE LINE (33) - BRAKES & CONTROLS
21
16
10.001.ad
12
24
20
21.120.ab (05)
5
26
7
8
10
33.204.ax
6
8
18
13
2
27
33.204.ag (01)
33.202.ar
19
14
3
10
15
21.120.ab (04)
11
4
19
17
1
22
23
25
9
FIT
1:1
100%

Артикул

Название

Примечание

Количество

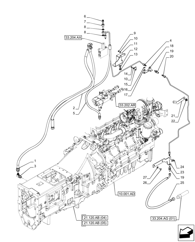
1

47385883

HOSE

Return

1шт.

2

47385888

HOSE

Feed

1шт.

3

82037643

HYD CONNECTOR

1шт.

4

47471770

PIPE

Brake

1шт.

5

47471768

PIPE

Master Cylinder

1шт.

6

81874592

BLEEDER,M12 x 1 x 15.50mm

1шт.

7

82018915

BANJO BOLT,M12 x 1 x 23mm

1шт.

8

5183780

SEALING WASHER,9.73mm ID x 18mm OD x 1.5mm Thk

2шт.

9

9706755

NUT,M6, Cl 8

2шт.

10

86588450

WASHER,6.6mm ID x 12mm OD x 1.6mm Thk

3шт.

11

47471766

BRACKET

1шт.

12

14496601

WASHER,10.5mm ID x 21mm OD x 2mm Thk

2шт.

13

11106021

BOLT,Hex, M10 x 1.5 x 20 mm, Cl 8.8, Full Thd

2шт.

14

86977726

BOLT,Hex, M6 x 12mm, Cl 8.8

1шт.

15

84606519

BRACKET

1шт.

16

9706690

NUT,M8 x 1.25, Cl 8

1шт.

17

86624184

WASHER,9mm ID x 16mm OD x 1.6mm Thk

1шт.

18

47471774

BRACKET

1шт.

19

82016624

ADAPTER

2шт.

20

47471775

PIPE

Brake Valve

1шт.

21

84342883

BRACKET

1шт.

22

87609144

CLIP,6mm Hose

1шт.

23

84143489

BRACKET

1шт.

24

82033028

CABLE TIE,170mm L

1шт.

25

87609294

FLEXIBLE HOSE,590.00mm

Axle Valve

1шт.

26

120103

BOLT,M8 x 1.25 x 16mm, Cl 8.8

2шт.

27

14496501

WASHER,8.4mm ID x 17mm OD x 1.6mm Thk

2шт.

Выбрано товаров: 27