Запчасти Case IH PUMA 165 CVT (33.220.AC[05]) - VAR - 758037, 758039, 758044 - TRAILER BRAKE, LINE, CVT (33) - BRAKES & CONTROLS

Схема запчастей Case IH PUMA 165 CVT - (33.220.AC[05]) - VAR - 758037, 758039, 758044 - TRAILER BRAKE, LINE, CVT (33) - BRAKES & CONTROLS
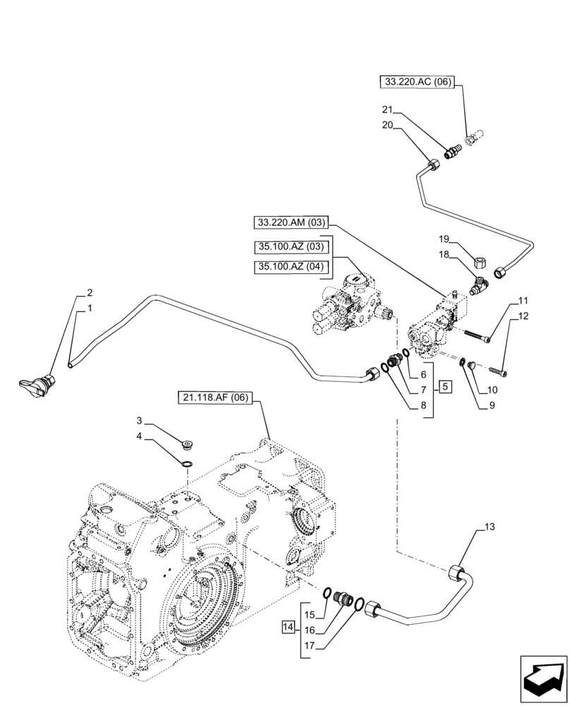
21
5
1
20
33.220.am (03)
7
21.118.af (06)
19
12
17
35.100.az (04)
14
2
4
15
16
13
9
6
8
18
35.100.az (03)
11
33.220.ac (06)
10
3
FIT
1:1
100%

Артикул

Название

Примечание

Количество

1

84344234

PRESSURE PIPE

Supply TBV

1шт.

2

44015354

QUICK MALE COUPLING

1шт.

3

10273140

PLUG,Hex Skt, M18 x 1.5

1шт.

4

10259960

SEAL,Rectangular, 18.30mm ID x 24.00mm OD x 1.50mm, Copper

1шт.

5

86579676

HYD CONNECTOR,13/16" - 16 ORFS x M18 x 1.5 ORB

ASSY, Incl 6 - 8

1шт.

6

9992298

O-RING,0.07" Thk x 0.489" ID, -14, Cl 6, 90 Duro

1шт.

7

NSS

NOT SOLD SEPARAT

Connector, Incl in 5

1шт.

8

86598101

O-RING,2.2mm Thk x 15.3mm ID, Cl 6, 90 Duro

1шт.

9

5183780

SEALING WASHER,9.73mm ID x 18mm OD x 1.5mm Thk

1шт.

10

10300511

PLUG,M12 x 1.5 x 12, Cl5.8

1шт.

11

14308920

HEX SOC SCREW,M8 x 60mm, Cl 8.8

2шт.

12

14306624

HEX SOC SCREW,M8 x 1.25 x 35mm, Cl 8.8, Full Thd

1шт.

13

84372459

HYD TUBE

TBV Tank

1шт.

14

86579680

HYD CONNECTOR,1"-14 ORFS x M22 x 1.5mm ORB

ASSY, Incl 15 - 17

1шт.

15

9992069

O-RING,0.07" Thk x 0.614" ID, -16, Cl 6, 90 Duro

1шт.

16

NSS

NOT SOLD SEPARAT

Connector, Incl in 14

1шт.

17

86598102

O-RING,2.2mm Thk x 19.3mm ID, Cl 6, 90 Duro

1шт.

18

87521154

HYD CONNECTOR,M12 x 1, ORB 11/16"-16 ORFS

M12 x 1 ORB 11/16"-16 ORFS

1шт.

19

9625546

CAP,11/16" - 16 ORFS

1шт.

20

47370349

PIPE

1шт.

21

87711901

HYD CONNECTOR

1шт.

Выбрано товаров: 21