Запчасти Case IH PUMA 165 CVT (33.220.AC[09]) - VAR. 758040, 758042 - TRAILER BRAKE VALVE, LINE (33) - BRAKES & CONTROLS

Схема запчастей Case IH PUMA 165 CVT - (33.220.AC[09]) - VAR. 758040, 758042 - TRAILER BRAKE VALVE, LINE (33) - BRAKES & CONTROLS
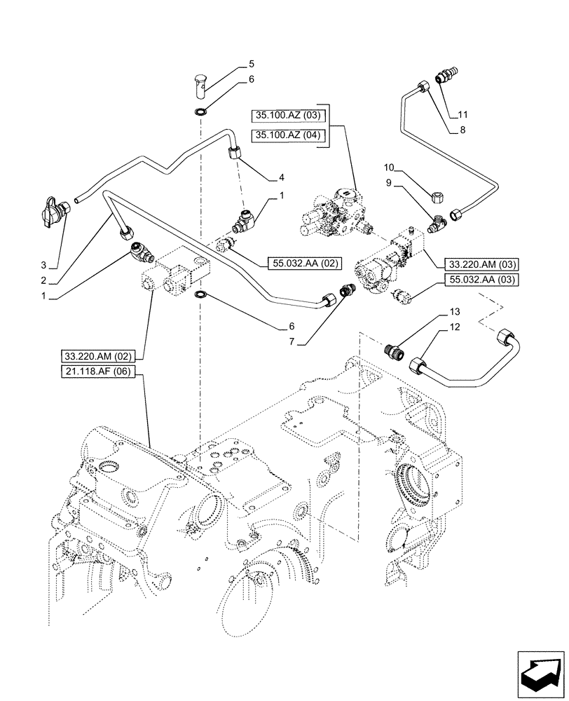
1
2
13
55.032.aa (02)
5
11
55.032.aa (03)
3
35.100.az (03)
6
9
7
10
35.100.az (04)
33.220.am (02)
8
21.118.af (06)
1
4
12
33.220.am (03)
6
FIT
1:1
100%

Артикул

Название

Примечание

Количество

1

86579691

90 ELBOW,90 Degree, 13/16"-18 ORFS x M18 x 1.5 ORB

2шт.

2

84344229

PRESSURE PIPE

Trailer Brake Valve

1шт.

3

44015354

QUICK MALE COUPLING

1шт.

4

84281830

PRESSURE PIPE

1шт.

5

5197769

BANJO BOLT,M18 x 1.5 x 49mm

1шт.

6

5186176

SEALING WASHER,15.80mm ID x 26.92mm OD x 1.50mm, Steel, Zinc

2шт.

7

86579676

HYD CONNECTOR,13/16" - 16 ORFS x M18 x 1.5 ORB

1шт.

8

47370349

PIPE

Brake Pilot

1шт.

9

87521154

HYD CONNECTOR,M12 x 1, ORB 11/16"-16 ORFS

1шт.

10

9625546

CAP,11/16" - 16 ORFS

1шт.

11

87711901

HYD CONNECTOR

1шт.

12

84372459

HYD TUBE

Tank

1шт.

13

86579680

HYD CONNECTOR,1"-14 ORFS x M22 x 1.5mm ORB

1шт.

Выбрано товаров: 13