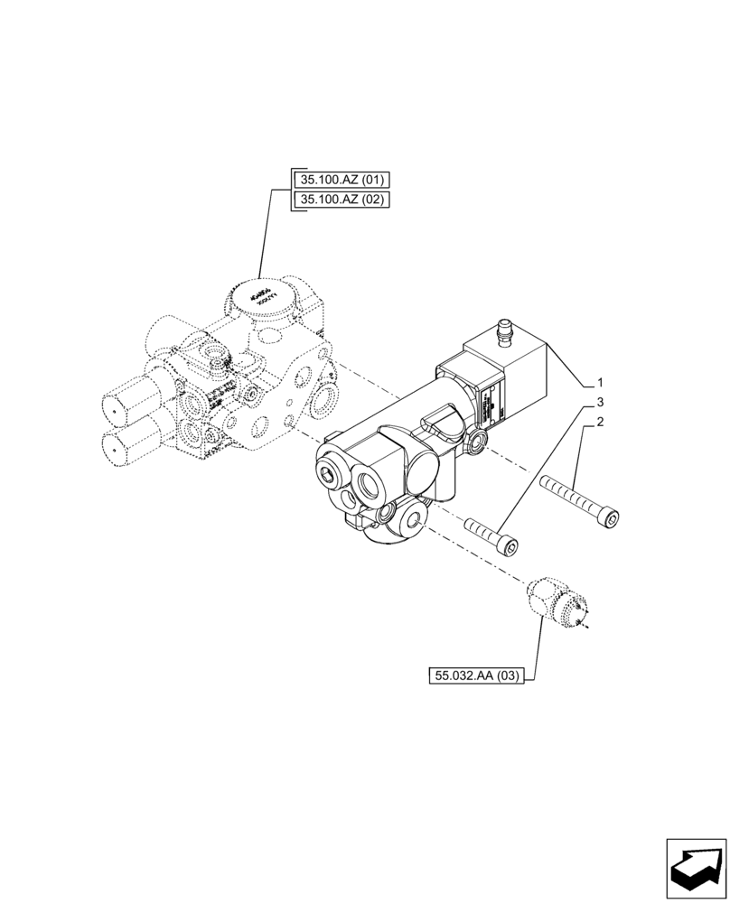
Запчасти Case IH PUMA 165 CVT (33.220.AM[03]) - VAR. 758040, 758042 - TRAILER BRAKE VALVE (33) - BRAKES & CONTROLS

Схема запчастей Case IH PUMA 165 CVT - (33.220.AM[03]) - VAR. 758040, 758042 - TRAILER BRAKE VALVE (33) - BRAKES & CONTROLS
55.032.aa (03)
3
2
35.100.az (01)
35.100.az (02)
1
FIT
1:1
100%

Артикул

Название

Примечание

Количество

1

84349101

BRAKE VALVE

1шт.

2

14308921

HEX SOC SCREW,M8 x 60mm, Cl 8.8

2шт.

3

14306621

HEX SOC SCREW,M8 x 35mm, Cl 8.8, Full Thd

1шт.

Выбрано товаров: 3