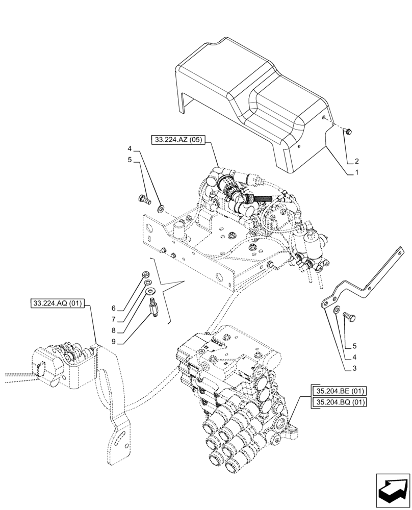
Запчасти Case IH PUMA 165 CVT (33.224.AZ[04]) - VAR. 758041, 758042 - TRAILER BRAKE VALVE (33) - BRAKES & CONTROLS

Схема запчастей Case IH PUMA 165 CVT - (33.224.AZ[04]) - VAR. 758041, 758042 - TRAILER BRAKE VALVE (33) - BRAKES & CONTROLS
5
3
1
4
4
33.224.az (05)
35.204.bq (01)
7
5
2
9
8
35.204.be (01)
33.224.aq (01)
6
FIT
1:1
100%

Артикул

Название

Примечание

Количество

1

84149758

COVER

1шт.

2

86624996

BOLT,Hex Flange, M6 x 16.00mm, Cl 8.8, BZN

4шт.

3

84174774

SUPPORT

1шт.

4

14496501

WASHER,8.4mm ID x 17mm OD x 1.6mm Thk

4шт.

5

120104

BOLT,Hex, M8 x 1.25 x 20mm, Cl 8.8

4шт.

6

9706690

NUT,M8 x 1.25, Cl 8

3шт.

7

10571779

LOCK WASHER,Helical Spring, 8.10mm ID x 14.80mm OD x 2.00mm, ZNM

3шт.

8

12646701

WASHER,8.15mm ID x 20mm OD x 2mm Thk

3шт.

9

84389143

SPACER

3шт.

Выбрано товаров: 9