Запчасти Case IH PUMA 165 CVT (35.100.BA[02]) - VAR - 758064, 758065, 758066 - PRIORITY VALVE, LINE (35) - HYDRAULIC SYSTEMS

Схема запчастей Case IH PUMA 165 CVT - (35.100.BA[02]) - VAR - 758064, 758065, 758066 - PRIORITY VALVE, LINE (35) - HYDRAULIC SYSTEMS
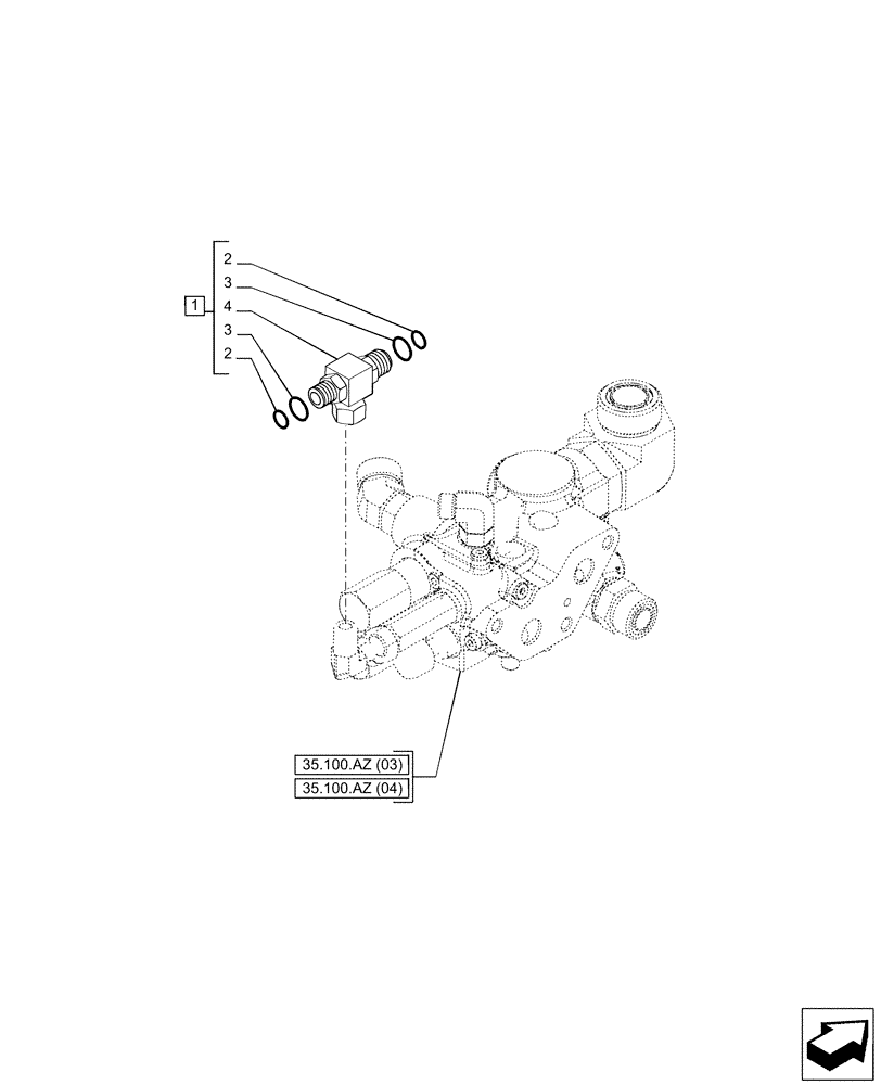
2
35.100.az (04)
35.100.az (03)
2
3
1
4
3
FIT
1:1
100%

Артикул

Название

Примечание

Количество

1

82018814

CHECK VALVE,9/16" - 18 JIC x 9/16" - 18 ORFS x 9/16" - 18 ORFS

ASSY, Incl 2 - 4

1шт.

2

165202

O-RING,0.072" Thk x 0.351" ID, -904, Cl 6, 90 Duro

2шт.

3

81844850

O-RING,0.07" Thk x 0.301" ID, -11, Cl 6, 90 Duro

Elbow, Incl in 1

2шт.

4

NSS

NOT SOLD SEPARAT

1шт.

Выбрано товаров: 4