Запчасти Case IH PUMA 165 CVT (35.162.AB[01]) - VAR - 758088, 758089, 758090, 758091, 758092, 758093 - 3 POINT HITCH, FRONT, CYLINDER (35) - HYDRAULIC SYSTEMS

Схема запчастей Case IH PUMA 165 CVT - (35.162.AB[01]) - VAR - 758088, 758089, 758090, 758091, 758092, 758093 - 3 POINT HITCH, FRONT, CYLINDER (35) - HYDRAULIC SYSTEMS
2
4
3
37.166.ae (01)
35.162.ag (01)
25.100.av (09)
37.166.ae (01)
3
1
37.166.ae (01)
FIT
1:1
100%

Артикул

Название

Примечание

Количество

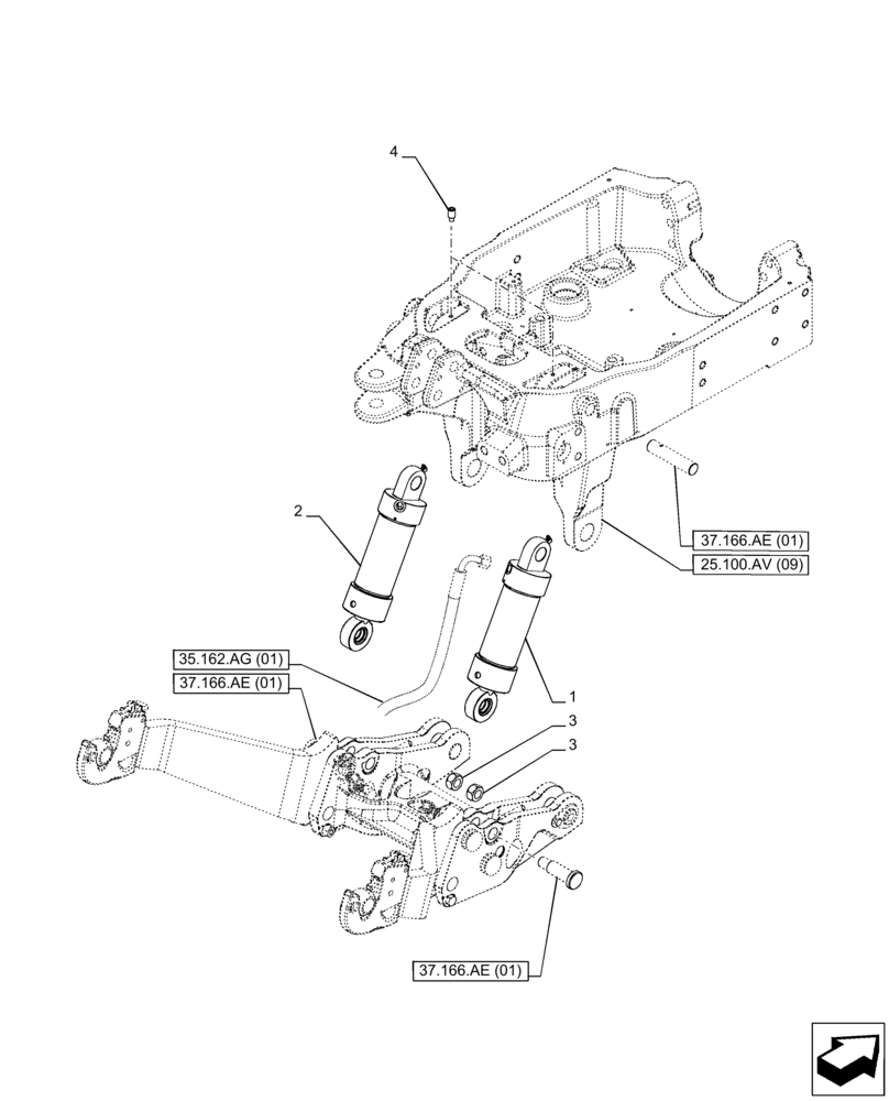
1

87667286

LIFT CYLINDER

LH

1шт.

2

87667287

LIFT CYLINDER

RH

1шт.

3

12164521

NUT,Hex, M24, 2mm Pitch,19mm High, Cl 10

2шт.

4

87302865

SET SCREW,M8 x 16mm, Cl 8.8

2шт.

Выбрано товаров: 4