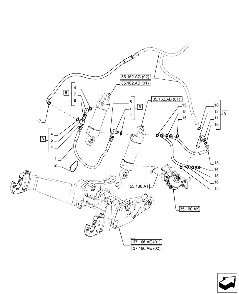
Запчасти Case IH PUMA 165 CVT (35.162.AG[01]) - VAR - 758088, 758089, 758090, 758091, 758092, 758093 - 3 POINT HITCH, FRONT, CYLINDER, LINE (35) - HYDRAULIC SYSTEMS

Схема запчастей Case IH PUMA 165 CVT - (35.162.AG[01]) - VAR - 758088, 758089, 758090, 758091, 758092, 758093 - 3 POINT HITCH, FRONT, CYLINDER, LINE (35) - HYDRAULIC SYSTEMS
6
10
6
37.166.ae (01)
3
12
35.162.ab (01)
15
1
35.160.ak
8
4
35.162.ag (02)
8
55.130.at
5
35.162.ab (01)
15
15
4
13
4
15
2
7
9
14
7
16
10
4
17
37.166.ae (02)
11
15
FIT
1:1
100%

Артикул

Название

Примечание

Количество

1

47399301

FLEXIBLE HOSE,10mm ID x 750mm L

1шт.

2

82001041

CABLE TIE,0.190" x 7.00" / 200 mm L

1шт.

3

5194079

TEE

ASSY, Incl 4 (Q.ty 2), 5

1шт.

4

5185511

O-RING,1.78mm Thk x 12.42mm ID, 85 Duro

4шт.

5

NSS

NOT SOLD SEPARAT

Tee, Incl in 3

1шт.

6

5185052

90 ELBOW,13/16"-16 x M18 x 1.5

ASSY, Incl 4 (Q.ty 1), 7, 8

2шт.

7

NSS

NOT SOLD SEPARAT

Elbow, Incl in 6

1шт.

8

14437985

O-RING,15.3mm ID x 2.4mm

1шт.

9

86579710

TEE,13/16"-16 ORFS x M18 x 1.5 ORB Br

Tee, ASSY, Incl 10 - 12

1шт.

10

9992298

O-RING,0.07" Thk x 0.489" ID, -14, Cl 6, 90 Duro

2шт.

11

NSS

NOT SOLD SEPARAT

Tee, Incl in 9

1шт.

12

14496505

WASHER,Flat, 8.40mm ID x 17.00mm OD x 1.60mm, CST, ZND

1шт.

13

84284812

FLEXIBLE HOSE,10.00mm ID x 430.00mm, SAE 100R16

1шт.

14

5170235

BANJO BOLT,M18 x 1.5 x 35mm

1шт.

15

87495058

SEAL,Washer, 15.40mm ID x 26.00mm OD x 0.70mm, R50

4шт.

16

84284813

FLEXIBLE HOSE,10.00mm ID x 430.00mm, SAE 100R16

1шт.

17

84284811

FLEXIBLE HOSE,10.00mm ID x 570.00mm, SAE 100R16

1шт.

Выбрано товаров: 17