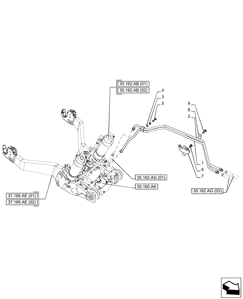
Запчасти Case IH PUMA 165 CVT (35.162.AG[02]) - VAR - 758088, 758089, 758090, 758091, 758092, 758093 - 3 POINT HITCH, FRONT, CYLINDER, LINE (35) - HYDRAULIC SYSTEMS

Схема запчастей Case IH PUMA 165 CVT - (35.162.AG[02]) - VAR - 758088, 758089, 758090, 758091, 758092, 758093 - 3 POINT HITCH, FRONT, CYLINDER, LINE (35) - HYDRAULIC SYSTEMS
37.166.ae (02)
8
5
2
1
35.162.ab (02)
9
35.162.ag (03)
35.162.ag (01)
35.162.ab (01)
35.160.ak
3
6
4
7
37.166.ae (01)
FIT
1:1
100%

Артикул

Название

Примечание

Количество

1

84289025

PRESSURE PIPE,1409.40mm

1шт.

2

84289024

PRESSURE PIPE,1126.50mm

1шт.

3

9706690

NUT,M8 x 1.25, Cl 8

1шт.

4

12646701

WASHER,8.15mm ID x 20mm OD x 2mm Thk

1шт.

5

13517320

STUD,M8 x 1.25 x 35.00mm, Cl 8.8, PLN

1шт.

6

43138

BOLT,Hex, M10 x 1.5 x 20mm, Cl 8.8

1шт.

7

84288055

BRACKET

1шт.

8

47057074

CLAMP,48.6mm x 30mm

1шт.

9

43128

BOLT,M8 x 1.25 x 30mm, Cl 8.8

1шт.

Выбрано товаров: 9