Запчасти Case IH PUMA 165 CVT (35.162.AG[03]) - VAR - 758088, 758089, 758090, 758091, 758092, 758093 - 3 POINT HITCH, FRONT, CYLINDER, LINE (35) - HYDRAULIC SYSTEMS

Схема запчастей Case IH PUMA 165 CVT - (35.162.AG[03]) - VAR - 758088, 758089, 758090, 758091, 758092, 758093 - 3 POINT HITCH, FRONT, CYLINDER, LINE (35) - HYDRAULIC SYSTEMS
35.204.bs (01)
11
2
15
35.204.bs (11)
5
35.204.bs (02)
14
6
21
35.162.ag (02)
5
18
35.162.ag (05)
10
35.204.bs (08)
6
35.204.bs (13)
9
13
35.204.bs (05)
12
35.204.bs (15)
3
4
7
17
8
16
1
19
11
20
13
FIT
1:1
100%

Артикул

Название

Примечание

Количество

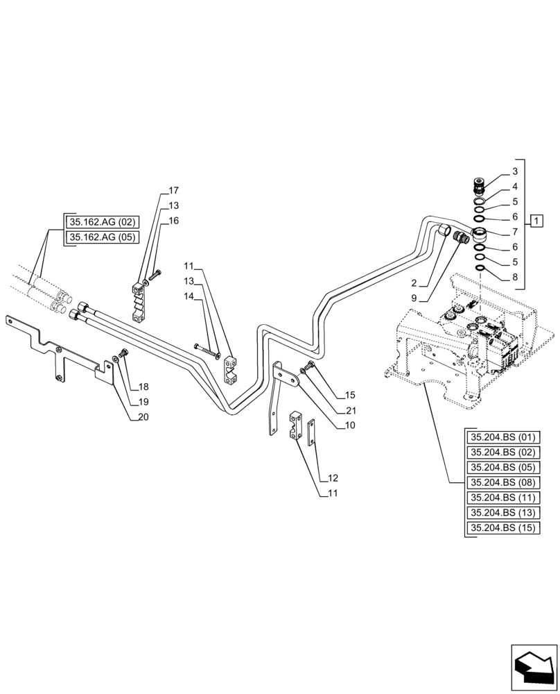
1

47526704

PIPE

MMV, ASSY, Incl 3 - 8

1шт.

2

47526706

PIPE

Lower MMV

1шт.

3

47530975

BANJO BOLT,M22 x 1.5

1шт.

4

300629

SNAP RING,M28, Ext

1шт.

5

47361752

RING,24.28mm ID x 28.64mm OD x 1.35mm Thk

2шт.

6

271913

O-RING,0.103" Thk x 0.924" ID, -119, Cl 6, 90 Duro

2шт.

7

NSS

NOT SOLD SEPARAT

Pipe, Incl in 1

2шт.

8

86598102

O-RING,2.2mm Thk x 19.3mm ID, Cl 6, 90 Duro

1шт.

9

86579680

HYD CONNECTOR,1"-14 ORFS x M22 x 1.5mm ORB

1шт.

10

84323173

SUPPORT

1шт.

11

84147270

CLAMP,2 Hoses

2шт.

12

84147271

PLATE

1шт.

13

12646701

WASHER,8.15mm ID x 20mm OD x 2mm Thk

4шт.

14

300510

BOLT,Hex, M8 x 65mm, Cl 8.8

2шт.

15

11106220

BOLT,Hex, M10 x 25, 8.8, Full Thd

2шт.

16

43129

BOLT,Hex, M8 x 1.25 x 40mm, LH Thd, Cl 8.8

2шт.

17

87579043

CLAMP,4 Hoses

1шт.

18

11106021

BOLT,Hex, M10 x 1.5 x 20 mm, Cl 8.8, Full Thd

2шт.

19

14496601

WASHER,10.5mm ID x 21mm OD x 2mm Thk

2шт.

20

47376186

BRACKET

1шт.

21

86625251

WASHER,10.5mm ID x 18mm OD x 1.6mm Thk

2шт.

Выбрано товаров: 21