Запчасти Case IH PUMA 165 CVT (37.166.AE[01]) - VAR - 758088, 758089, 758090, 758091, 758092, 758093 - 3 POINT HITCH, 4WD FRONT AXLE (37) - HITCHES, DRAWBARS & IMPLEMENT COUPLINGS

Схема запчастей Case IH PUMA 165 CVT - (37.166.AE[01]) - VAR - 758088, 758089, 758090, 758091, 758092, 758093 - 3 POINT HITCH, 4WD FRONT AXLE (37) - HITCHES, DRAWBARS & IMPLEMENT COUPLINGS
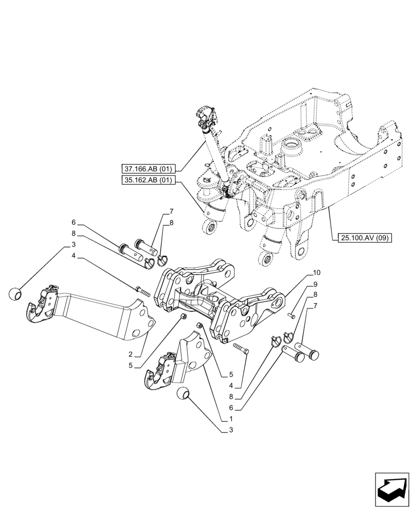
10
8
6
3
7
8
6
3
9
37.166.ab (01)
8
4
2
5
4
35.162.ab (01)
5
7
25.100.av (09)
1
8
FIT
1:1
100%

Артикул

Название

Примечание

Количество

1

87731098

LOWER LINK

LH

1шт.

2

87731099

LOWER LINK

RH

1шт.

3

44017819

BUSHING,28.7mm ID x 64mm OD x 44.7mm L

2шт.

4

15981621

BOLT,Hex, M16 x 1.5 x 100mm, Cl 8.8

2шт.

5

15504021

NUT,M16 x 1.5

2шт.

6

47057641

PIN,50mm OD x 140mm L

2шт.

7

87302187

PIN,50mm OD x 131mm L

2шт.

8

87302824

LOCK PIN

4шт.

9

10979221

BOLT,Hex, M10 x 1.5 x 16mm, Cl 8.8

2шт.

10

87667283

FRAME

1шт.

Выбрано товаров: 10