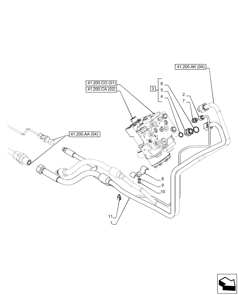
Запчасти Case IH PUMA 165 CVT (41.200.AA[06]) - VAR - 758267, 758271, 758275 - STEERING VALVE, LINE, CVT (41) - STEERING

Схема запчастей Case IH PUMA 165 CVT - (41.200.AA[06]) - VAR - 758267, 758271, 758275 - STEERING VALVE, LINE, CVT (41) - STEERING
41.200.ak (04)
41.200.aa (04)
9
4
6
8
7
11
5
2
41.200.co (01)
3
41.200.ca (02)
1
10
FIT
1:1
100%

Артикул

Название

Примечание

Количество

1

47381653

PIPE

Supply

1шт.

2

47381655

PIPE

LS Steering

1шт.

3

82016760

HYD CONNECTOR,1"-14 / M18 x 1.5

ASSY, Incl 4 - 6

1шт.

4

83901443

O-RING,0.07" Thk x 0.614" ID, -16, Cl 6, 90 Duro

1шт.

5

NSS

NOT SOLD SEPARAT

Connector, Incl in 3

1шт.

6

83999938

SEAL,15.7mm ID x 20.9mm OD x 1.5mm Thk

1шт.

7

76076087

FITTING,M12 x 1.5 ORB x 9/16"-18 ORFS

1шт.

8

47630568

BRACKET

1шт.

9

86588450

WASHER,6.6mm ID x 12mm OD x 1.6mm Thk

1шт.

10

9706755

NUT,M6, Cl 8

1шт.

11

87710266

CLIP,6mm

1шт.

Выбрано товаров: 11