Запчасти Case IH PUMA 165 CVT (41.200.AK[04]) - VAR - 758267, 758271, 758275 - STEERING, RETURN LINE, CVT (41) - STEERING

Схема запчастей Case IH PUMA 165 CVT - (41.200.AK[04]) - VAR - 758267, 758271, 758275 - STEERING, RETURN LINE, CVT (41) - STEERING
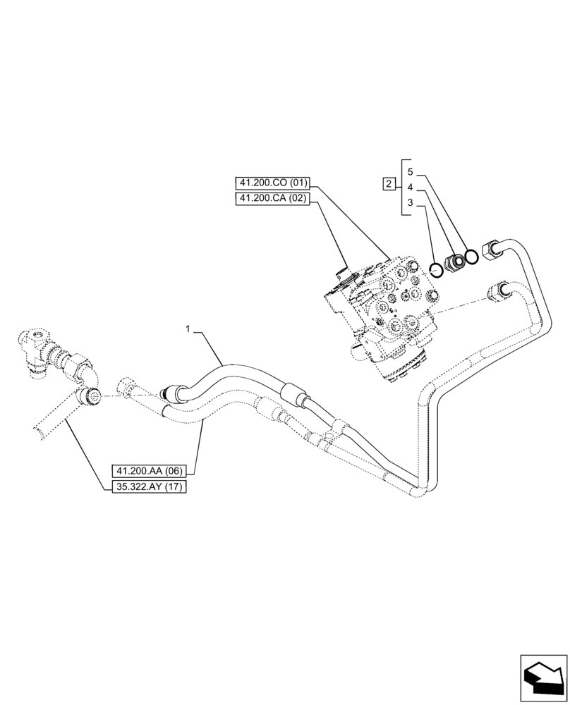
5
1
35.322.ay (17)
4
41.200.aa (06)
2
3
41.200.co (01)
41.200.ca (02)
FIT
1:1
100%

Артикул

Название

Примечание

Количество

1

47381650

PIPE

Return Steering

1шт.

2

82016760

HYD CONNECTOR,1"-14 / M18 x 1.5

ASSY, Incl 3 - 5

1шт.

3

83999938

SEAL,15.7mm ID x 20.9mm OD x 1.5mm Thk

1шт.

4

NSS

NOT SOLD SEPARAT

Connector, Incl in 2

1шт.

5

83901443

O-RING,0.07" Thk x 0.614" ID, -16, Cl 6, 90 Duro

1шт.

Выбрано товаров: 5