Запчасти Case IH PUMA 165 CVT (50.200.AB[02]) - VAR - 391130, 758000 - AIR CONDITIONING, LINES (50) - CAB CLIMATE CONTROL

Схема запчастей Case IH PUMA 165 CVT - (50.200.AB[02]) - VAR - 391130, 758000 - AIR CONDITIONING, LINES (50) - CAB CLIMATE CONTROL
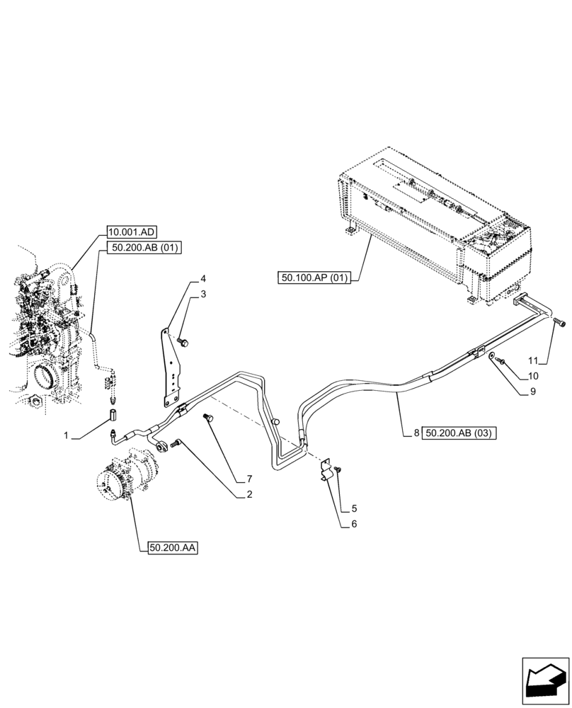
3
8
9
10
4
50.100.ap (01)
2
11
10.001.ad
5
1
7
50.200.ab (01)
50.200.aa
6
50.200.ab (03)
FIT
1:1
100%

Артикул

Название

Примечание

Количество

1

87738978

ADAPTER

5/8-18UNF

1шт.

2

14306321

HEX SOC SCREW,M8 x 20mm, Cl 8.8

1шт.

3

9804258

BOLT,Hex, M8 x 1.25 x 20mm, Cl 8.8

1шт.

4

47363105

BRACKET

1шт.

5

83998908

SCREW,Pozidriv Pan Hd, M6 x 12mm, Cl 4.8, Full Thd

1шт.

6

84390314

CLAMP,2 Hoses

1шт.

7

82025437

BOLT,Hex, M14 x 2 x 25mm, Cl 8.8

2шт.

8

47549834

PIPE

1шт.

9

10523401

WASHER,6.15mm ID x 18mm OD x 2mm Thk

1шт.

10

82880748

SCREW,Pozidrive, Pan HD, M6 x 2 x 14mm, Cl 4.8

1шт.

11

14306421

HEX SOC SCREW,M8 x 1.25 x 25mm, Cl 8.8

1шт.

Выбрано товаров: 11