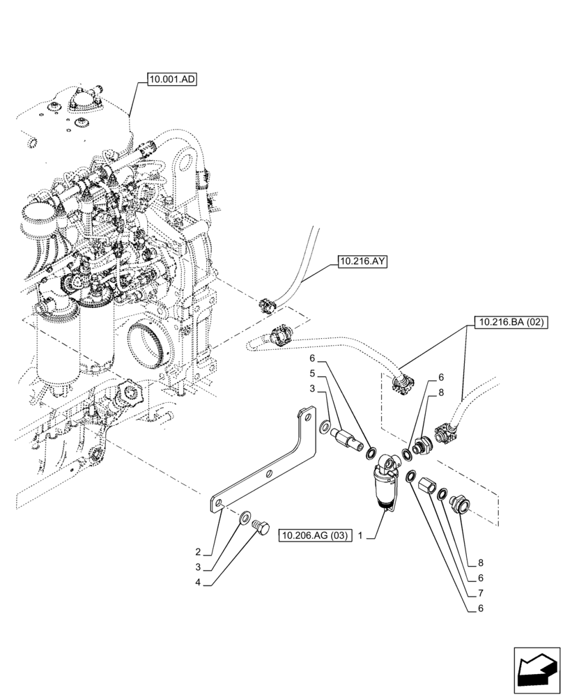
Запчасти Case IH PUMA 165 CVT (10.206.AG[02]) - VAR - 758223, 758235, 758240, 758241, 758250 - FUEL FILTER, SUPPORT (10) - ENGINE

Схема запчастей Case IH PUMA 165 CVT - (10.206.AG[02]) - VAR - 758223, 758235, 758240, 758241, 758250 - FUEL FILTER, SUPPORT (10) - ENGINE
2
3
6
8
4
6
10.216.ay
10.216.ba (02)
5
3
6
10.001.ad
8
6
7
1
10.206.ag (03)
FIT
1:1
100%

Артикул

Название

Примечание

Количество

1

84328562

FILTER ASSY,40mm OD x 109mm L, M14 x 1.5, 350 Microns

1шт.

2

87591419

HOLDER

1шт.

3

86511324

WASHER,13mm ID x 24mm OD x 2.5mm Thk

3шт.

4

11112121

SCREW,Hex, M12 x 20mm, Cl 8.8, Full Thd

2шт.

5

87585662

HYD CONNECTOR,M12 x 1.75 x M14 x 1.5

1шт.

6

87590622

SEALING WASHER,14.7mm ID x 22mm OD x 1.5mm Thk

4шт.

7

84364450

FLANGE NUT,Hex, M14 x 1.5, 22.5 Thd

1шт.

8

47440871

HYD CONNECTOR,M14 x 1.5 x 16mm L

2шт.

Выбрано товаров: 8