Запчасти Case IH PUMA 165 CVT (35.000.00[04]) - SECTION INDEX - HYDRAULIC SYSTEMS (35) - HYDRAULIC SYSTEMS

Схема запчастей Case IH PUMA 165 CVT - (35.000.00[04]) - SECTION INDEX - HYDRAULIC SYSTEMS (35) - HYDRAULIC SYSTEMS
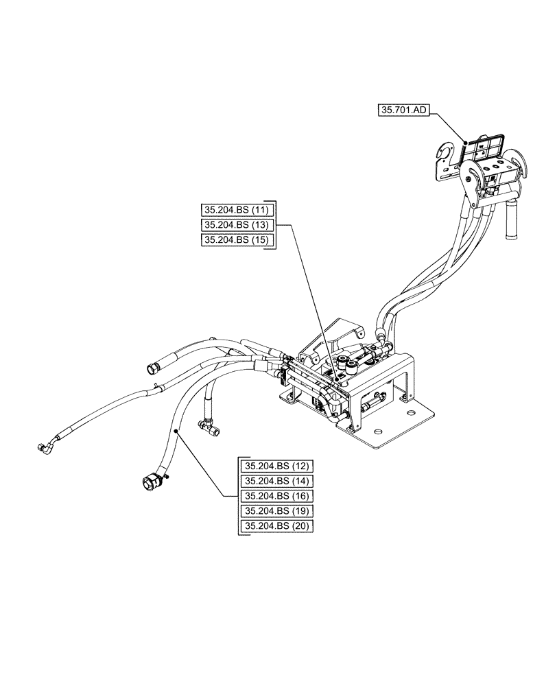
35.204.bs (16)
35.204.bs (19)
35.204.bs (20)
35.204.bs (13)
35.204.bs (12)
35.701.ad
35.204.bs (15)
35.204.bs (14)
35.204.bs (11)
FIT
1:1
100%