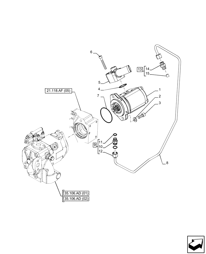
Запчасти Case IH PUMA 165 CVT (35.104.AA[01]) - VAR - 391374, 391161, 391374, 758055, 758935 - HYDRAULIC PUMP (35) - HYDRAULIC SYSTEMS

Схема запчастей Case IH PUMA 165 CVT - (35.104.AA[01]) - VAR - 391374, 391161, 391374, 758055, 758935 - HYDRAULIC PUMP (35) - HYDRAULIC SYSTEMS
35.106.ad (02)
5
12
6
2
14
9
11
7
1
4
8
15
10
13
3
21.118.af (05)
35.106.ad (01)
FIT
1:1
100%

Артикул

Название

Примечание

Количество

1

84355757

HYDRAULIC PUMP,21.95 CC

21.95 CC (25 CC/Rev)

1шт.

2

14496607

WASHER,10.5mm ID x 21mm OD x 2mm Thk

2шт.

3

86544072

HEX SOC SCREW,M10 x 1.25 x 25mm, Cl 8.8, Full Thd

2шт.

4

14463680

O-RING,0.139" Thk x 1.234" ID, -218, Cl 5, 75 Duro

1шт.

5

84181974

FLANGE

1шт.

6

14302221

HEX SOC SCREW,M8 x 55mm, Cl 8.8

4шт.

7

14461080

O-RING,0.103" Thk x 3.237" ID, -152, Cl 5, 75 Duro

1шт.

8

84371827

TUBE

1шт.

9

86579671

HYD CONNECTOR,11/16" - 16 ORFS x M14 x 1.5 ORB

ASSY, Incl 10 - 12

1шт.

10

NSS

NOT SOLD SEPARAT

Connector, Incl in 9

1шт.

11

86598099

O-RING,2.2mm Thk x 11.3mm ID, Cl 6

1шт.

12

9993141

O-RING,0.07" Thk x 0.364" ID, -12, Cl 6, 90 Duro

1шт.

13

84181973

HYD CONNECTOR

ASSY, Incl 14, 15

1шт.

14

NSS

NOT SOLD SEPARAT

Connector, Incl in 13

1шт.

15

87323514

SLEEVE VALVE

1шт.

Выбрано товаров: 15