Запчасти Case IH PUMA 165 CVT (35.204.BJ[06]) - VAR - 391165, 758059, 758060, 758061 - REMOTE CONTROL VALVE, LINE (35) - HYDRAULIC SYSTEMS

Схема запчастей Case IH PUMA 165 CVT - (35.204.BJ[06]) - VAR - 391165, 758059, 758060, 758061 - REMOTE CONTROL VALVE, LINE (35) - HYDRAULIC SYSTEMS
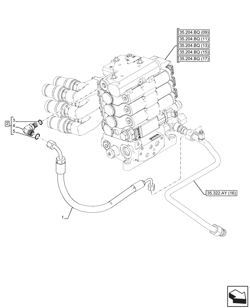
35.204.bq (13)
2
5
3
4
1
35.204.bq (11)
35.204.bq (17)
35.204.bq (15)
35.322.ay (16)
35.204.bq (09)
FIT
1:1
100%

Артикул

Название

Примечание

Количество

1

84270334

FLEXIBLE HOSE,8mm ID x 617mm L

8mm ID x 617mm, from Pipe Pressure to Rear Remote Control Valve

1шт.

2

5188442

HYD CONNECTOR,11/16-16 ORFS x M14 x 1.5 ORB

ASSY, Incl 3 - 5

1шт.

3

5185510

O-RING,1.78mm Thk x 9.25mm ID, 85 Duro

1шт.

4

NSS

NOT SOLD SEPARAT

Elbow, Incl in 2

1шт.

5

14437785

O-RING,11.3mm ID x 2.4mm

1шт.

Выбрано товаров: 5