Запчасти Case IH PUMA 165 CVT (35.204.BW[02]) - VAR - 391164, 758057, 758059, 758060 - 3 REMOTE CONTROL VALVES, RESERVOIR (35) - HYDRAULIC SYSTEMS

Схема запчастей Case IH PUMA 165 CVT - (35.204.BW[02]) - VAR - 391164, 758057, 758059, 758060 - 3 REMOTE CONTROL VALVES, RESERVOIR (35) - HYDRAULIC SYSTEMS
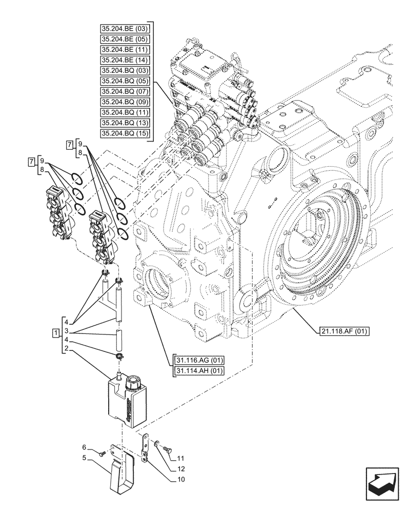
35.204.bq (09)
11
6
3
10
8
12
8
1
7
7
2
4
4
9
9
5
21.118.af (01)
31.116.ag (01)
31.114.ah (01)
35.204.be (03)
35.204.be (05)
35.204.be (14)
35.204.be (11)
35.204.bq (15)
35.204.bq (13)
35.204.bq (07)
35.204.bq (03)
35.204.bq (11)
35.204.bq (05)
FIT
1:1
100%

Артикул

Название

Примечание

Количество

1

84287277

RESERVOIR, HYDRAULIC

ASSY, Incl 2 - 4

1шт.

2

87555441

RESERVOIR, HYDRAULIC,600ml

600ml

1шт.

3

84253966

KIT

1шт.

4

13423370

CLAMP,13.6mm - 15.1mm

13.6 - 15.1 x 1.5

3шт.

5

84312030

SUPPORT

1шт.

6

10902121

SCREW,Hex, M6 x 14mm, Cl 8.8

2шт.

7

84338823

DUST CAP

ASSY, Black Clips, Incl 8 (Qty 1), 9 (Qty 3)

2шт.

8

NSS

NOT SOLD SEPARAT

Triple Dust Cap

2шт.

9

14454580

O-RING,34.65mm ID x 1.78mm

6шт.

10

84311423

SUPPORT

1шт.

11

16043424

SCREW,Hex, M8 x 1.25 x 20mm, Cl 8.8, Full Thd

2шт.

12

14496504

WASHER,8.4mm ID x 17mm OD x 1.6mm Thk

2шт.

Выбрано товаров: 12