Запчасти Case IH PUMA 165 CVT (37.100.AF[02]) - VAR - 758651, 758652, 758653, 758654 - TRAILER HITCH (37) - HITCHES, DRAWBARS & IMPLEMENT COUPLINGS

Схема запчастей Case IH PUMA 165 CVT - (37.100.AF[02]) - VAR - 758651, 758652, 758653, 758654 - TRAILER HITCH (37) - HITCHES, DRAWBARS & IMPLEMENT COUPLINGS
11
14
5
25
18
15
3
28
21
23
17
4
7
27
16
10
22
26
20
2
13
9
6
19
8
24
12
1
FIT
1:1
100%

Артикул

Название

Примечание

Количество

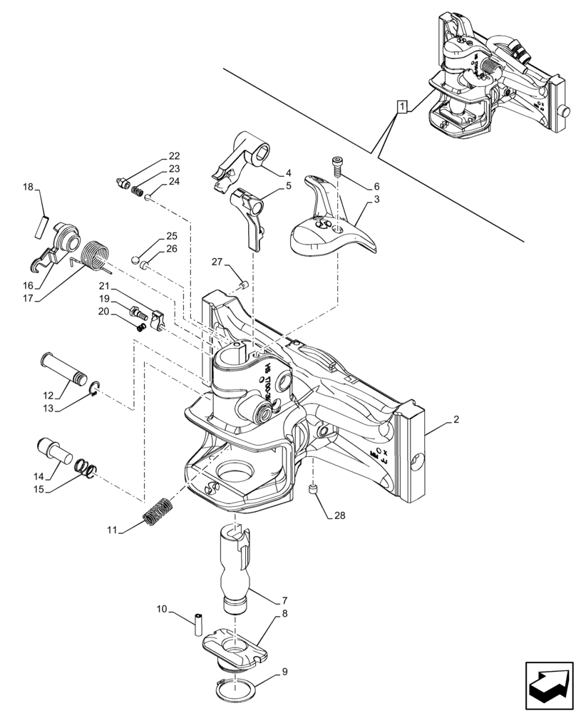
1

47863355

TOW HOOK

ASSY, Incl 2 - 28

1шт.

See Also Figure 37.100.AF 01

1шт.

2

NSS

NOT SOLD SEPARAT

Coupling, Incl in 1

1шт.

3

47692475

COVER

1шт.

4

47692481

LEVER

1шт.

5

47692887

LEVER

1шт.

6

13028524

SCREW,M8 x 20mm

M8 x 20mm

2шт.

7

84366583

HITCH PIN

1шт.

8

47692889

PLATE

1шт.

9

370007

SNAP RING,M45, Ext

1шт.

10

NSS

NOT SOLD SEPARAT

Pin, Coiled, Spring 8X30mm, Incl in 1

1шт.

11

47692973

SPRING,17.6mm ID x 110mm OD x 1.6mm Thk

1шт.

12

47692947

BOLT

1шт.

13

11066471

SNAP RING,M16, Ext

2шт.

14

47692893

LOCK PIN

1шт.

15

47692938

SPRING,17mm ID x 44.6mm OD x 1mm Thk

1шт.

16

47692959

LEVER

1шт.

17

47692962

SPRING

1шт.

18

300871

LOCK PIN,M8 x 30, Slotted

1шт.

19

47692980

BOLT

1шт.

20

47692983

SPRING,6.3mm ID x 20mm OD x 1.25mm Thk

1шт.

21

47692977

LOCKING RING

1шт.

22

332038

LUBE NIPPLE,M10 x 1.18

1шт.

23

47692992

COMPRESSION SPRING

1шт.

24

47692990

BALL,32mm Pin, 390mm L, 28.6Kg

1шт.

25

47692976

SPACER

1шт.

26

47692974

SPACER

1шт.

27

NSS

NOT SOLD SEPARAT

Pin, Dowel, 8 x 10mm, Incl in 1

2шт.

28

87352677

SCREW,M10 x 10mm, Cl 8.8

1шт.

Выбрано товаров: 29