Качественные детали и логистика
Оригинальные и аналоговые запчасти с доставкой по России, Казахстану и Беларуси
©2022 PartSell ООО "Система" ИНН 2463123282 ОГРН 1212400004838
Центральный офис: г. Красноярск, Академика Киренского, д.87, пом.4
Телефон: 8 (800) 777-65-74 Email: zakaz@partsell.ru
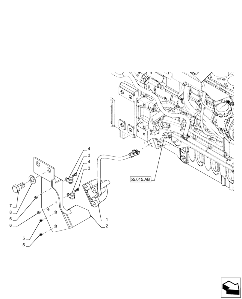
(55.680.AO[05]) - VAR - 758174 - RADAR, SENSOR
№
Артикул
Название
Примечание
Количество
1
84465661
RADAR
Ground Speed, UK Version
1шт.
2
84410925
SUPPORT
3
86508568
BOLT,Hex, M6 x 1 x 16mm, Cl 8.8
2шт.
4
10441490
COLLAR,14mm, Coat, 7mm Bolt Hole, P Type
14mm
5
13301111
SCREW,Pozidriv Flat Hd, Csk, M6 x 12mm, Cl 5.8
3шт.
6
12574211
NUT,M6 x 1, Cl 8
7
86624002
BOLT,Hex, M20 x 40mm, Cl 8.8
8
14497101
WASHER,M20 x 37 x 3
Выбрано товаров: 0