Запчасти Case IH PUMA 185 CVT (90.100.AR) - VAR - 758199 - ENGINE, SIDE MEMBER (90) - PLATFORM, CAB, BODYWORK AND DECALS

Схема запчастей Case IH PUMA 185 CVT - (90.100.AR) - VAR - 758199 - ENGINE, SIDE MEMBER (90) - PLATFORM, CAB, BODYWORK AND DECALS
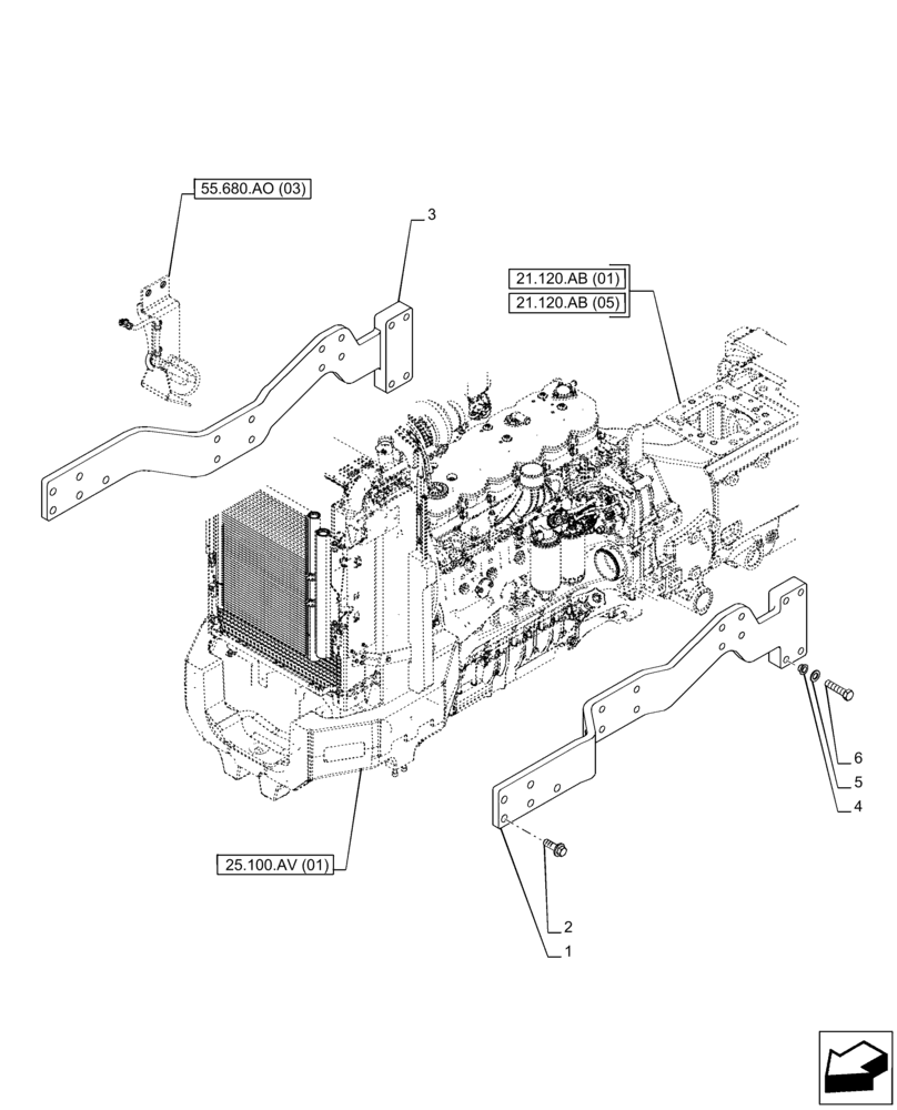
21.120.ab (01)
1
55.680.ao (03)
5
2
21.120.ab (05)
6
25.100.av (01)
3
4
FIT
1:1
100%

Артикул

Название

Примечание

Количество

1

87346030

SUPPORT

LH

1шт.

2

82020153

BOLT,Flng, M20 x 2.5 x 58mm, Cl 12.9

10шт.

3

87311068

SUPPORT

RH

1шт.

4

82039357

PLUG

8шт.

5

82028022

WASHER,M8 x 1.25 ID x 40mm OD x 9mm Thk, CRLC or HRLC Steel

4шт.

6

87380456

BOLT,Hex, M20 x 85mm, Cl 12.9

4шт.

Выбрано товаров: 6